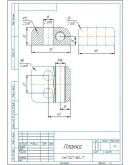
Сборочный чертеж и спецификация изделия упор суппорта.
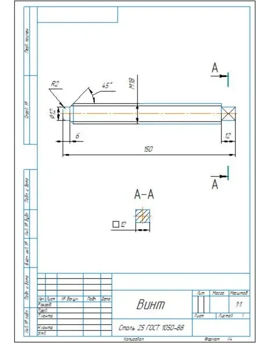
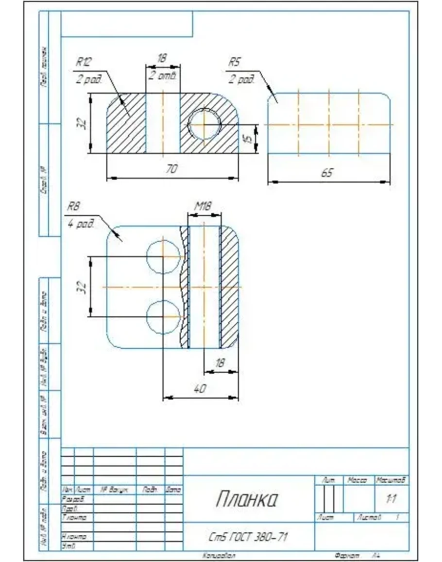
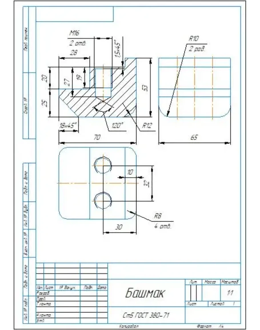
Также приложены деталировочные чертежи деталей: башмак, винт, планка.
Чертежи и спецификация выполнены в программе Компас 3D.
Также приложены деталировочные чертежи деталей: башмак, винт, планка.
Чертежи и спецификация выполнены в программе Компас 3D.








