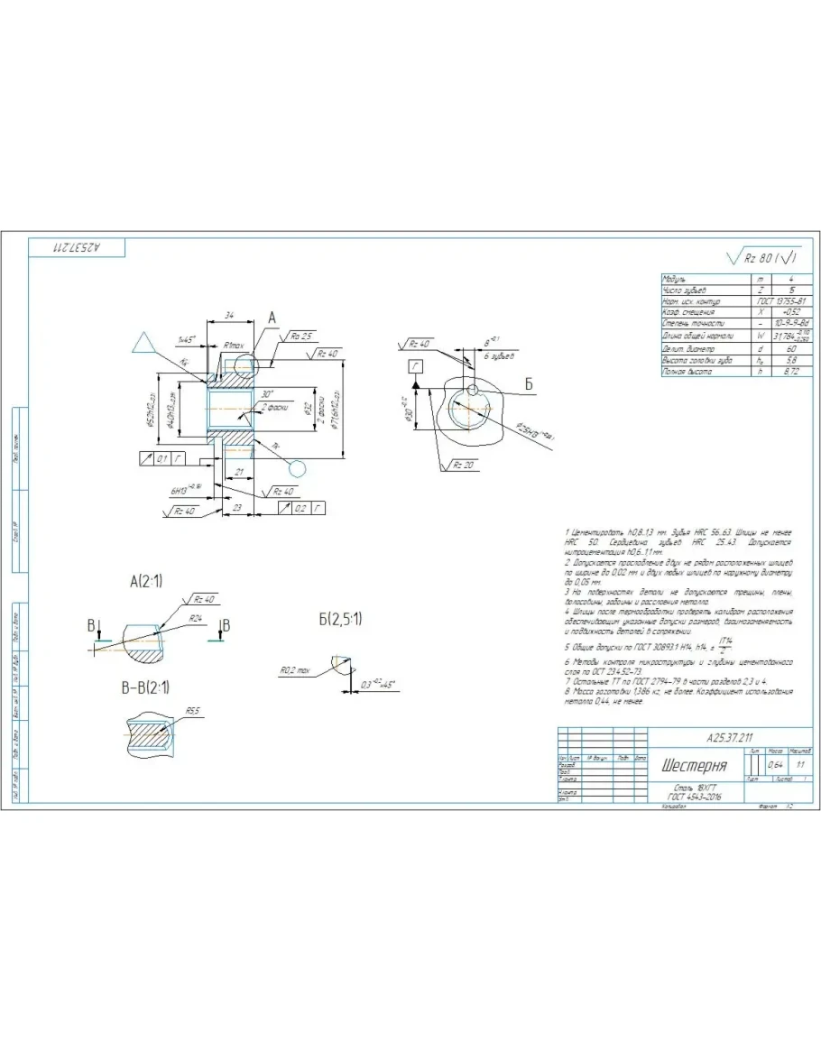
Сборочный чертеж и спецификация зубодолбежного приспособления с ручным зажимом для нарезания зубьев в детали шестерня. Также приложен рабочий чертеж детали шестерня. Чертежи выполнены в компасе.
Чертеж зубодолбежного приспособления в компасе
- Продавец: alexey_ktop
- Модель: 5301757
- Наличие: Есть в наличии
-
245р.






