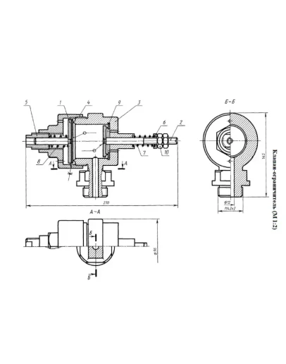
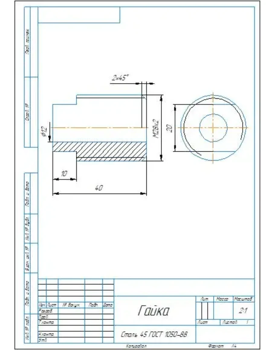
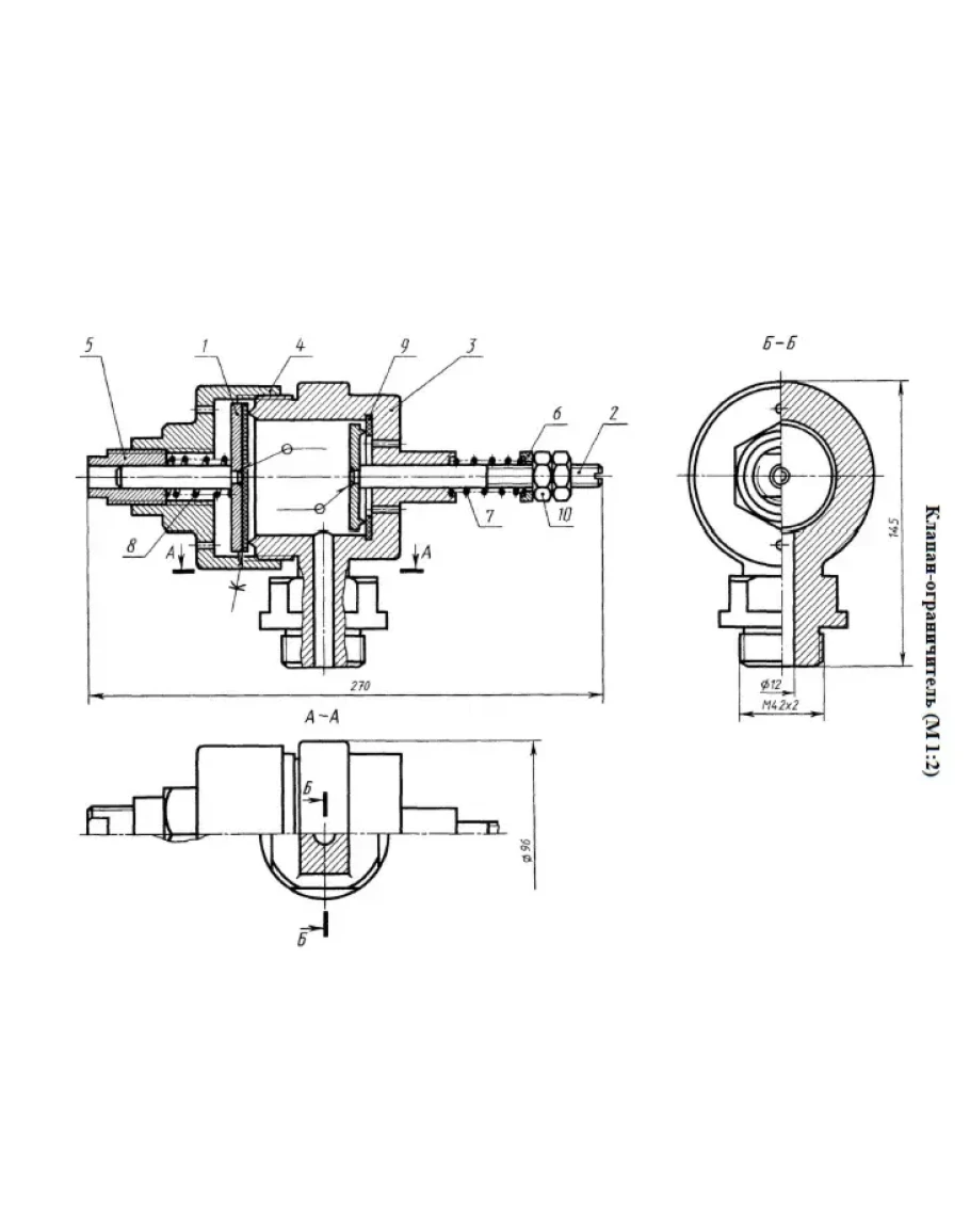
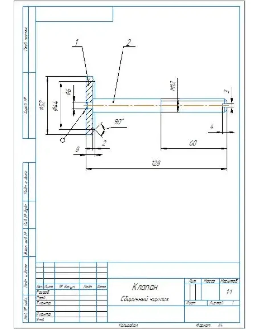
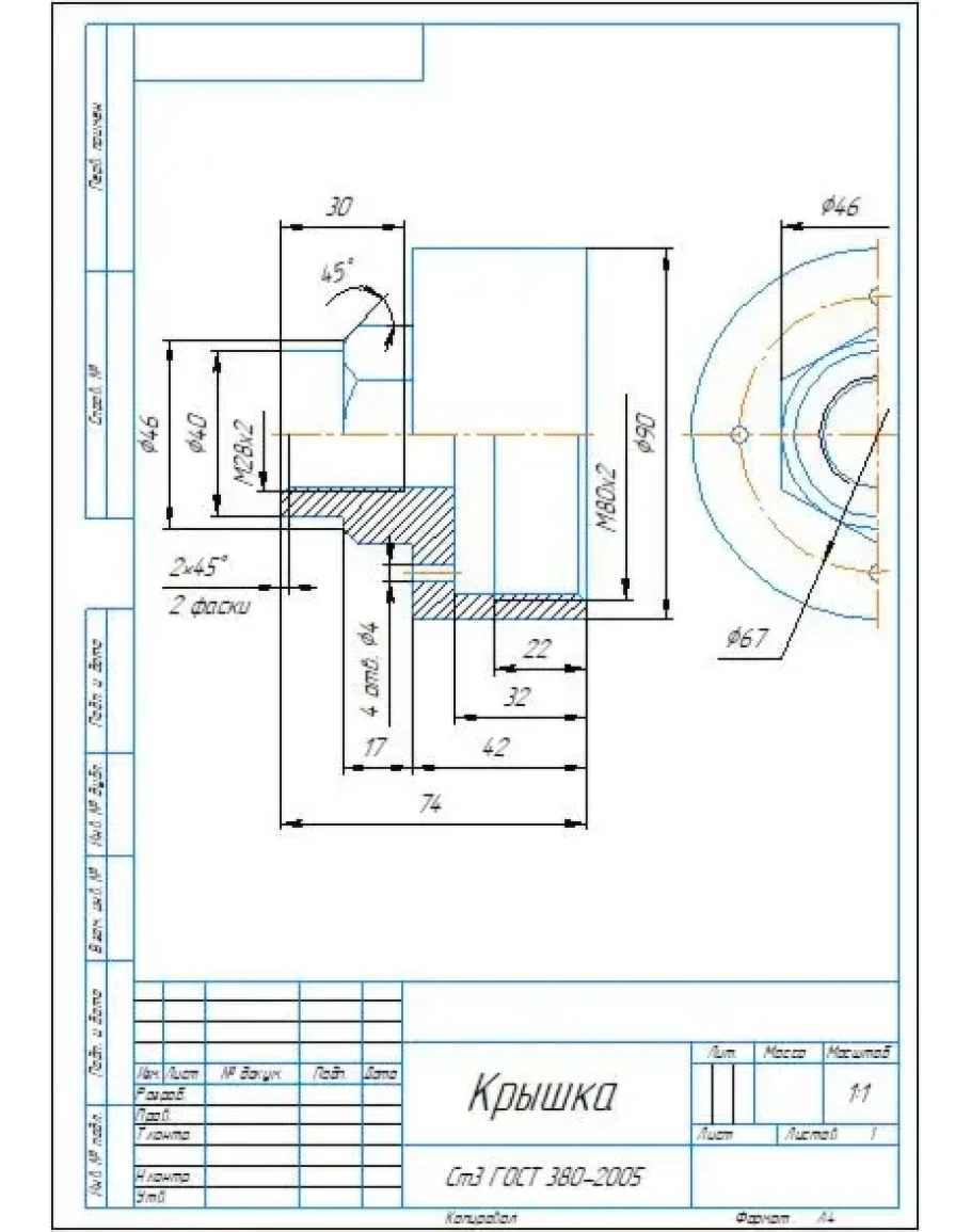
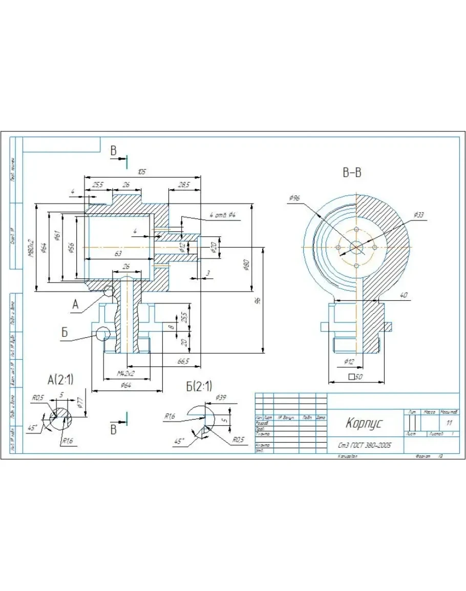
Деталировочные чертежи деталей сборочной единицы клапан-ограничитель: гайка, клапан, корпус, крышка (с аксонометрией). Чертежи выполнены в компасе
Чертежи деталей клапан-ограничитель
- Продавец: alexey_ktop
- Модель: 5414277
- Наличие: Есть в наличии
-
228р.









