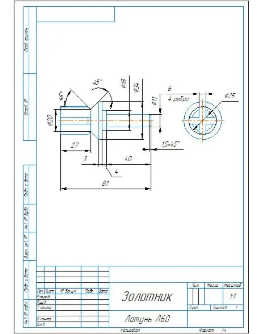
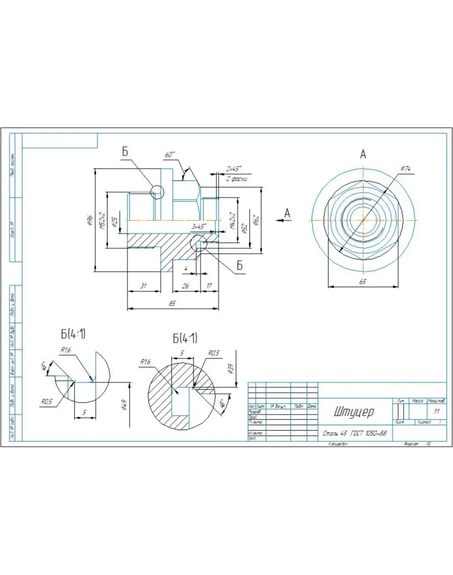
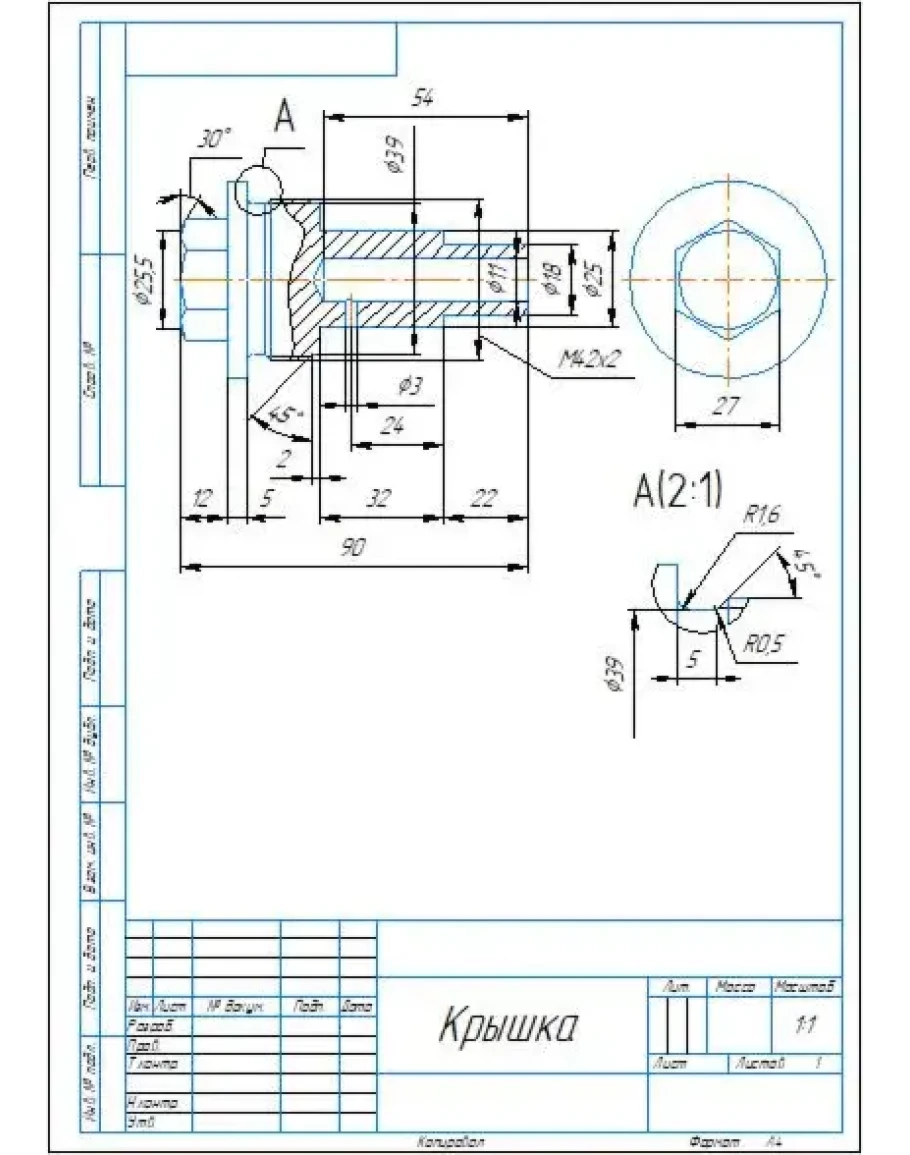
Чертежи деталей золотник, корпус, штуцер, крышка из сборки клапан обратный. Также представлены 3D модели деталей корпус, золотник и штуцер. Для штуцера также выполнена аксонометрическая проекция. Чертежи и модели выполнены в Компас 3D.
Чертежи клапан обратный деталирование
- Продавец: alexey_ktop
- Модель: 5413948
- Наличие: Есть в наличии
-
281р.









