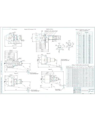
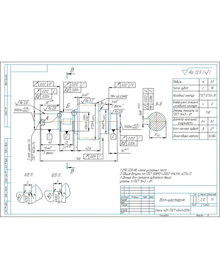
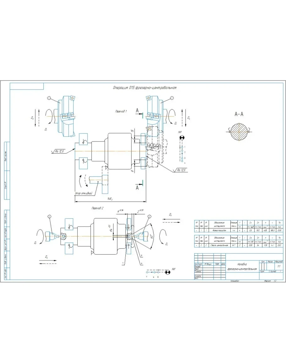
Чертежи технологических наладок для механической обработки детали вал-шестерня. В архиве представлены: фрезерно-центровальная наладка, токарная с ЧПУ наладка, зубофрезерная наладка, круглошлифовальная наладка, шпоночно-фрезерная наладка. Также представлен рабочий чертеж детали вал-шестерня. Наладки и чертеж выполнены в компасе.
Чертежи наладок технологических для детали вал-шестерня
- Продавец: alexey_ktop
- Модель: 5302084
- Наличие: Есть в наличии
-
319р.









