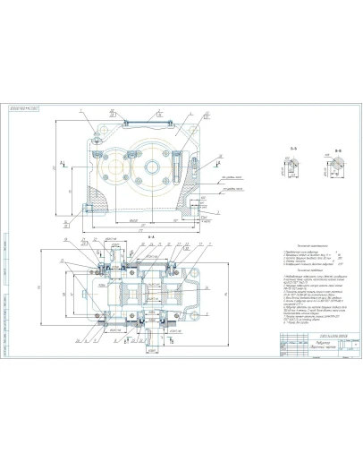
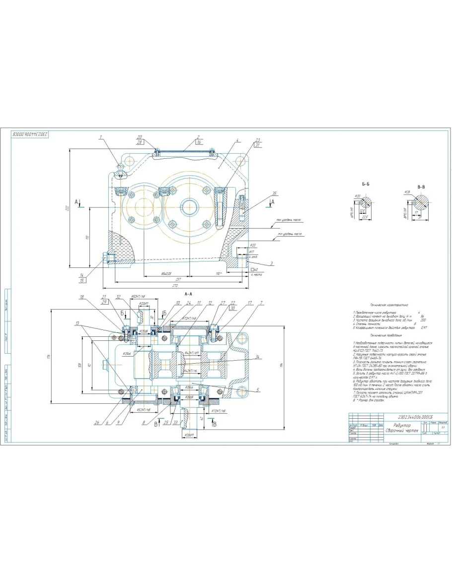
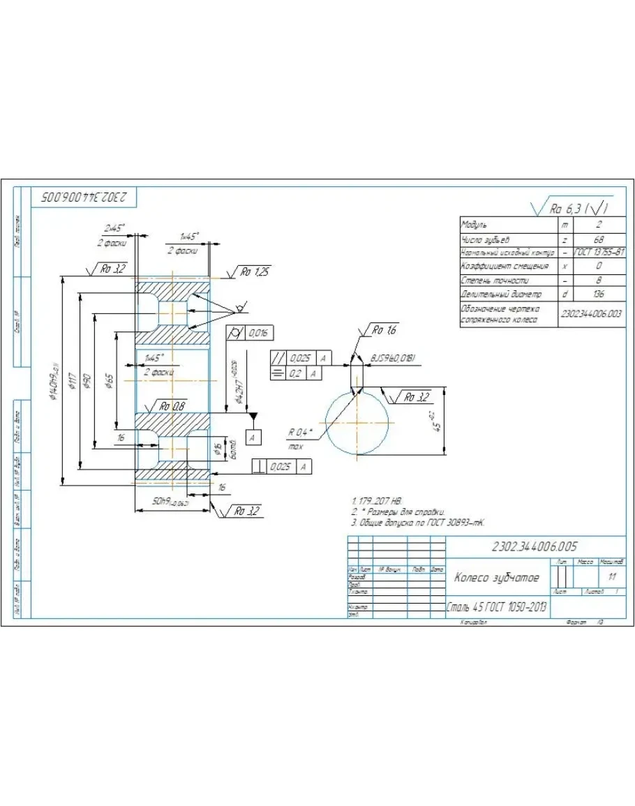
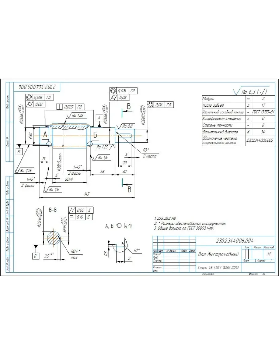
Сборочный чертеж и спецификация редуктора цилиндрического одноступенчатого с параметрами: модуль m=2 мм, межосевое расстояние a=100 мм, передаточное отношение u=4. Также приложены деталировочные чертежи вала и зубчатого колеса. Чертежи и спецификация выполнены в компасе.
Чертежи редуктор цилиндрический a100, деталировка
- Продавец: alexey_ktop
- Модель: 5344018
- Наличие: Есть в наличии
-
365р.








