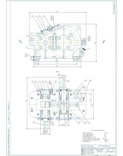
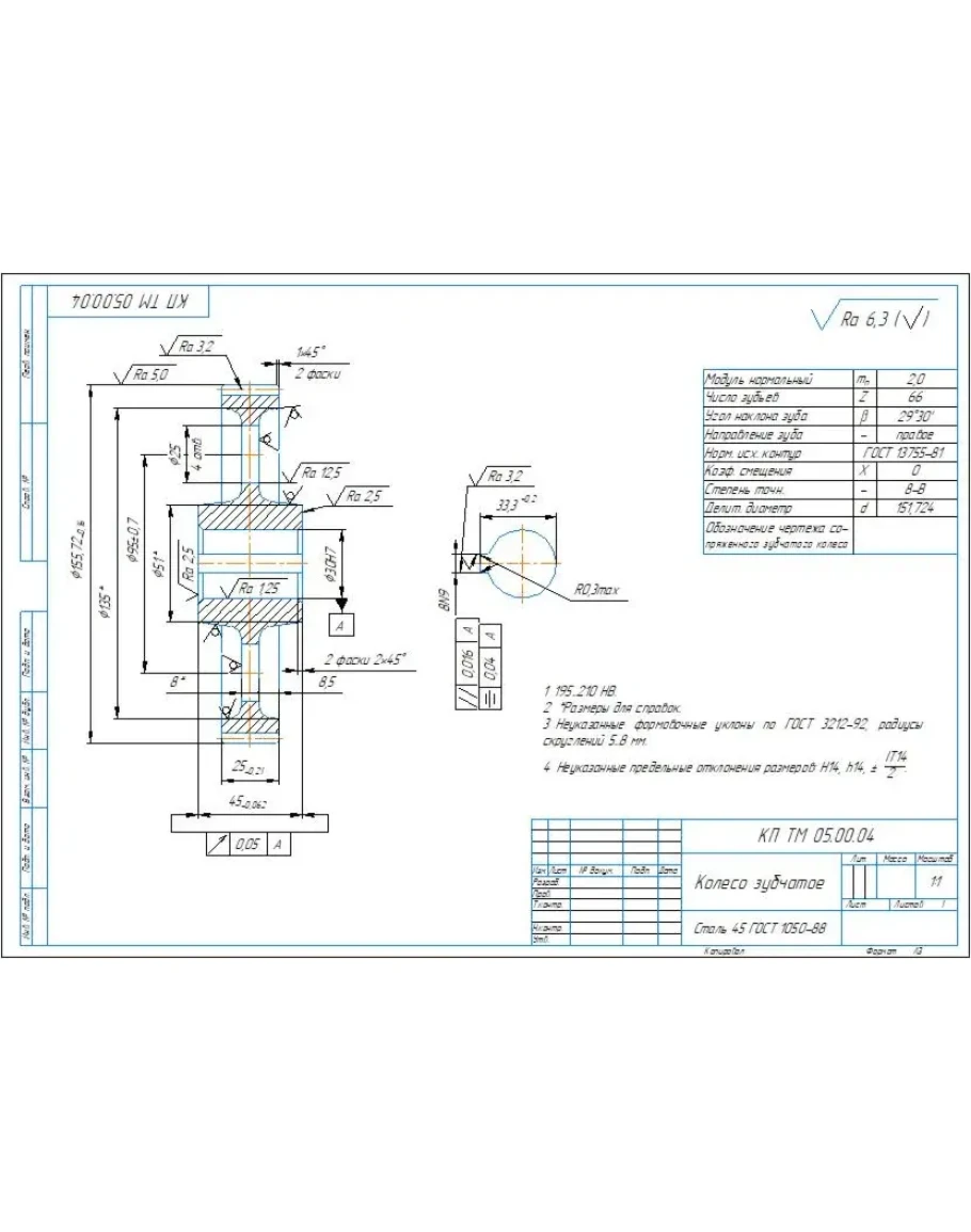
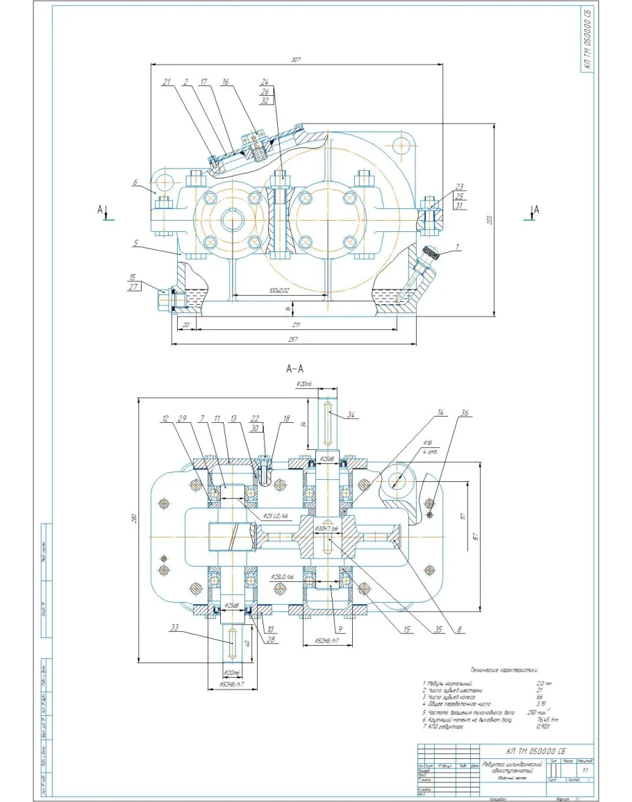
Сборочный чертеж и спецификация редуктора цилиндрического одноступенчатого с параметрами: модуль m=2 мм, межосевое расстояние a=100 мм, передаточное отношение u=3,15. Также приложены деталировочные чертежи вала и зубчатого колеса. Чертежи и спецификация выполнены в компасе.
Чертежи редуктор цилиндрический одноступенчатый a100
- Продавец: alexey_ktop
- Модель: 5341682
- Наличие: Есть в наличии
-
443р.








