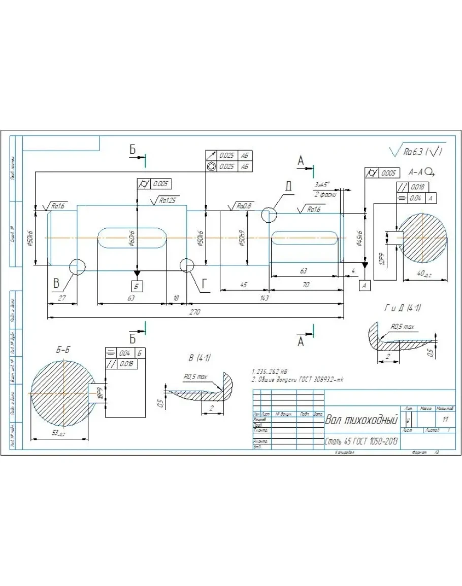
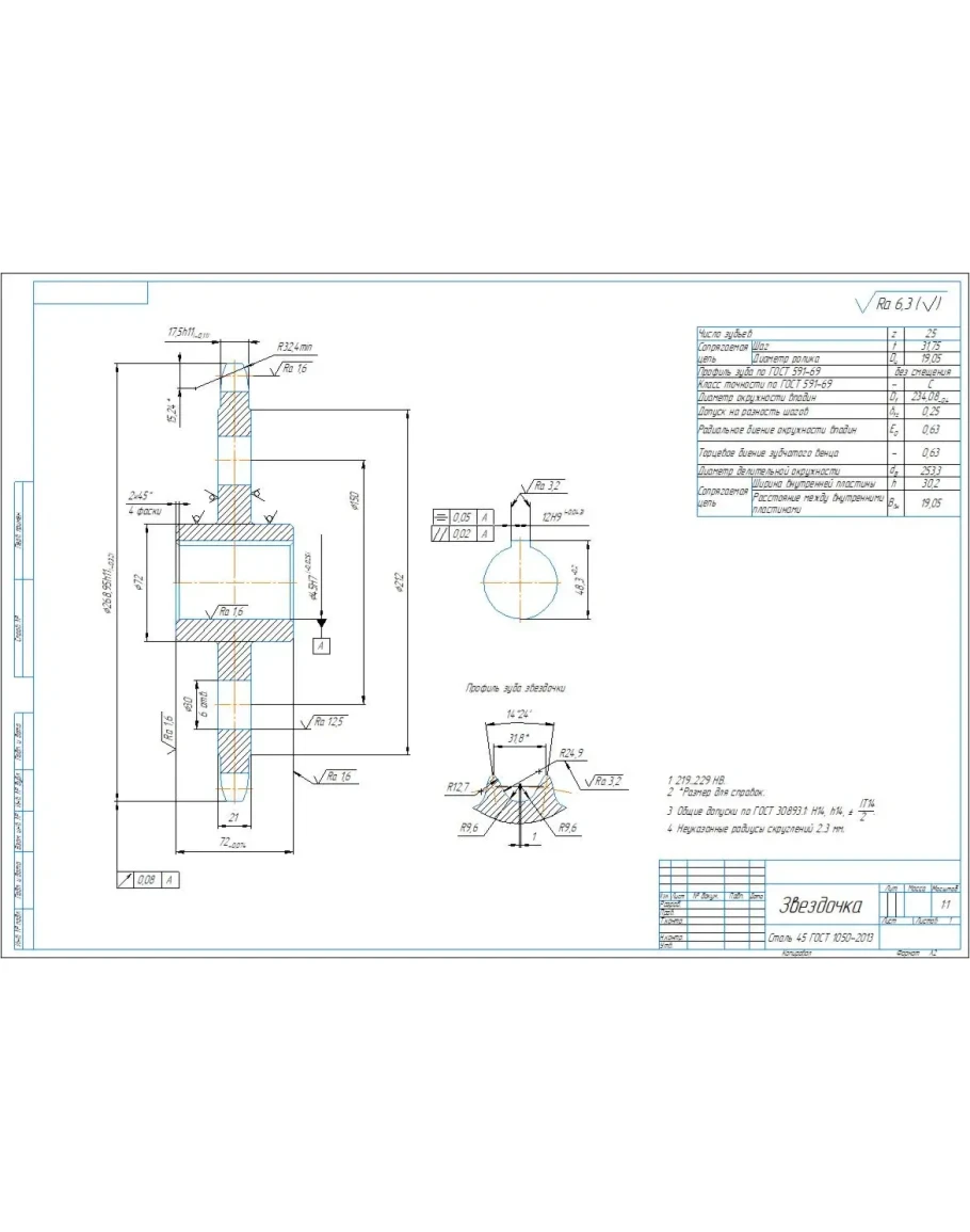
Сборочный чертеж и спецификация редуктора цилиндрического одноступенчатого с параметрами: модуль m=2 мм, межосевое расстояние a=160 мм, передаточное отношение u=5. Также приложены деталировочные чертежи: вал тихоходный, зубчатое колесо, звездочка приводная. Чертежи и спецификация выполнены в компасе.
Чертежи редуктор цилиндрический одноступенчатый a160
- Продавец: alexey_ktop
- Модель: 5347805
- Наличие: Есть в наличии
-
443р.










