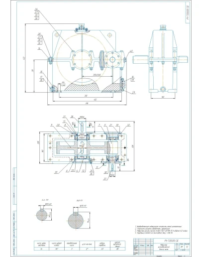
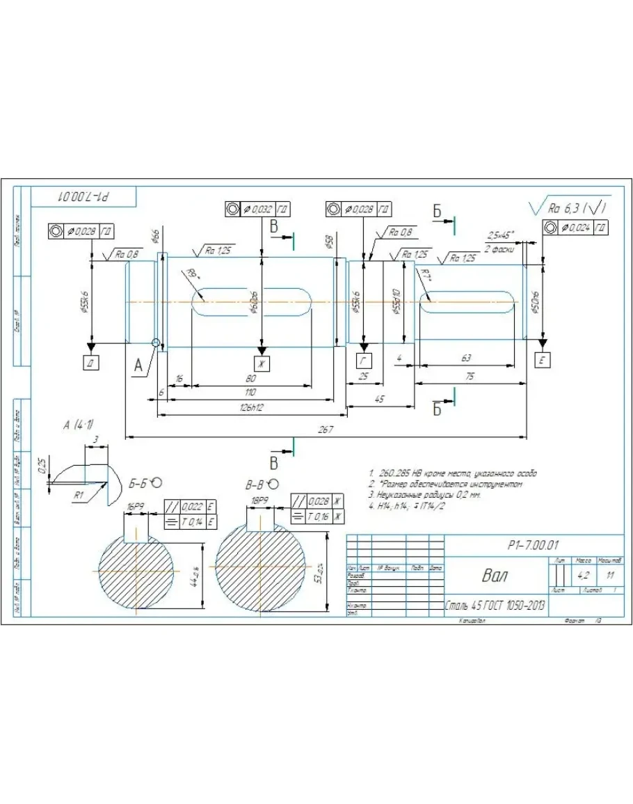
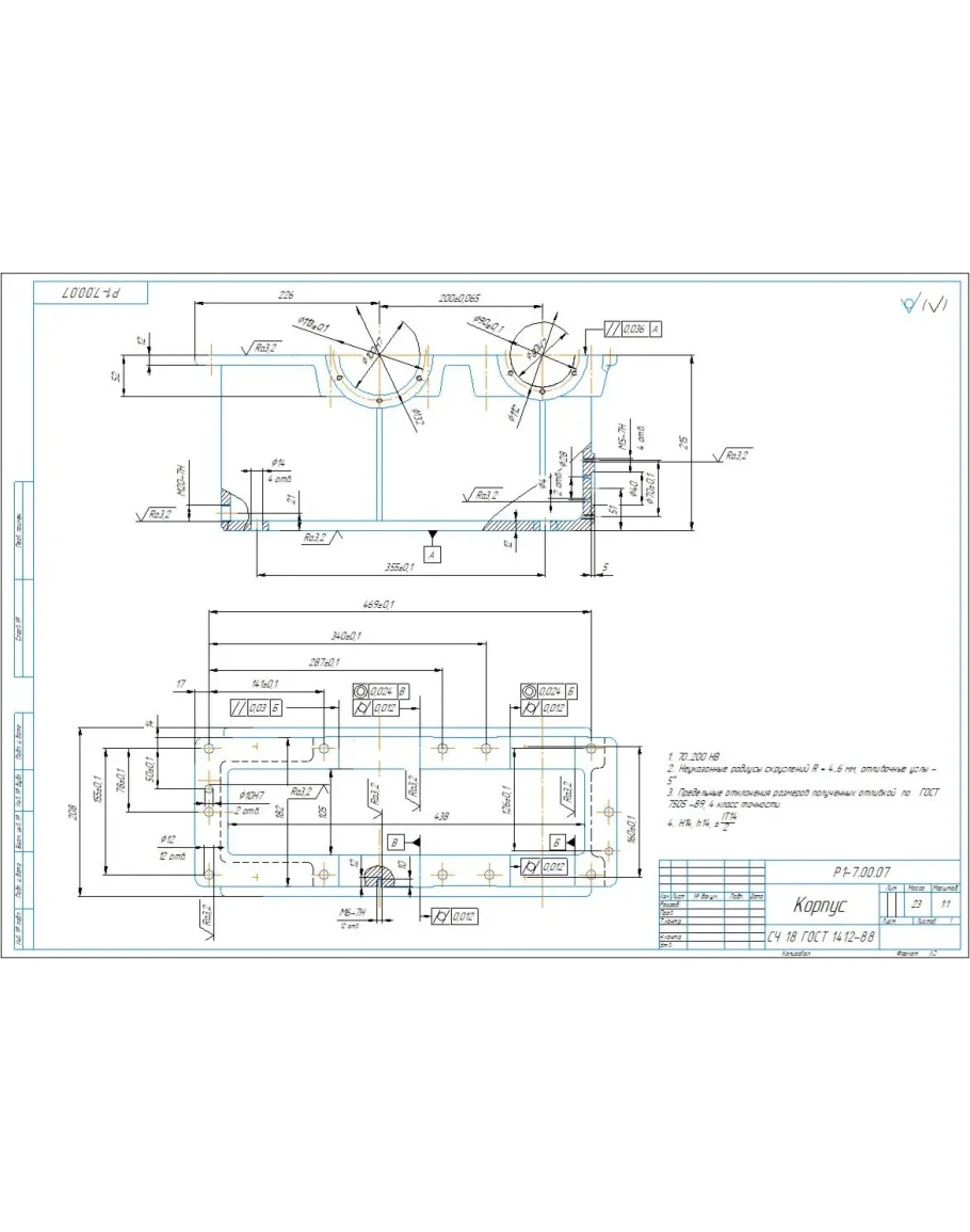
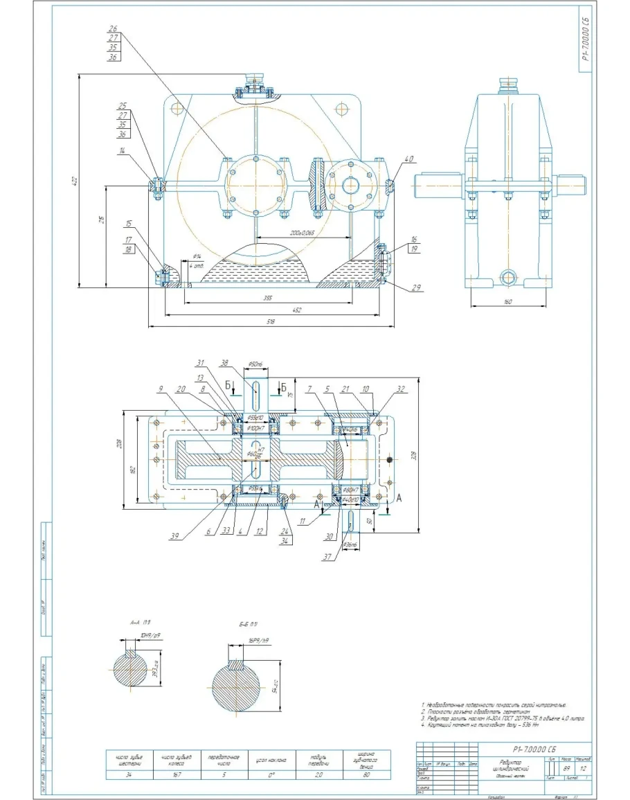
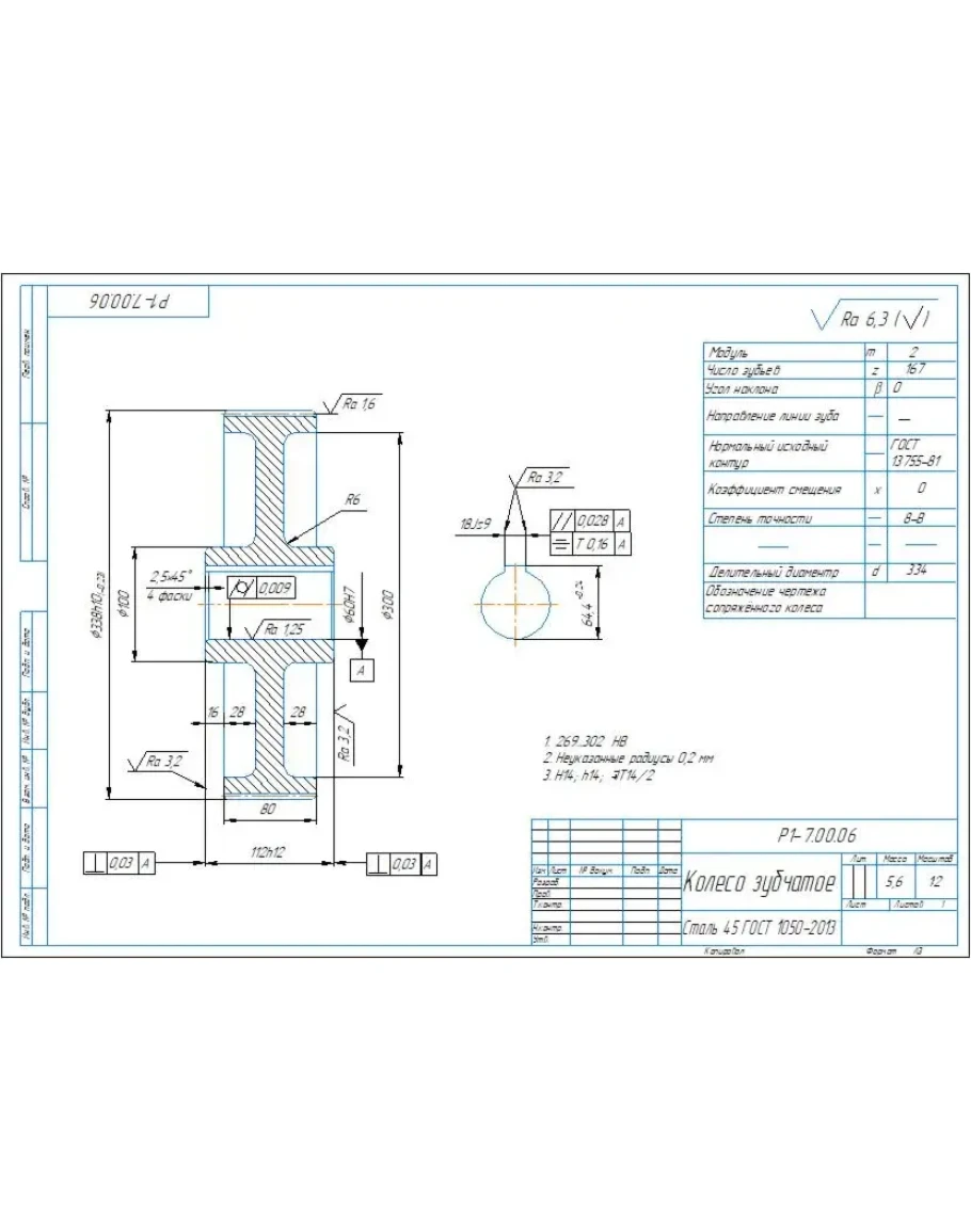
Сборочный чертеж и спецификация редуктора цилиндрического одноступенчатого с параметрами: модуль m=2 мм, межосевое расстояние a=200 мм, передаточное отношение u=5. Также приложены деталировочные чертежи: вал, зубчатое колесо, корпус редуктора. Чертежи и спецификация выполнены в компасе.
Чертежи редуктор цилиндрический одноступенчатый a200
- Продавец: alexey_ktop
- Модель: 5348511
- Наличие: Есть в наличии
-
456р.










