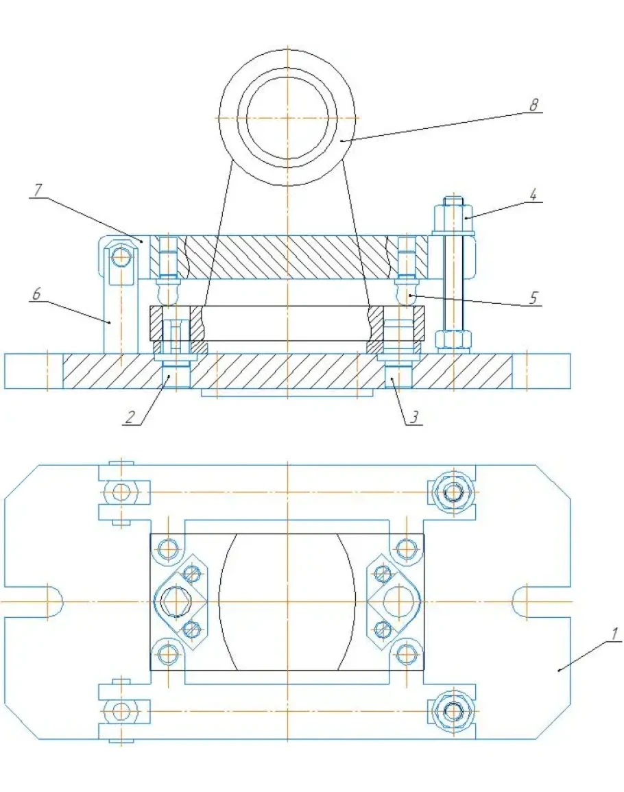
Эскиз приспособления для установки корпусной детали (кронштейн) по двум пальцам (цилиндрический и срезанный). Эскиз выполнен в компасе
Эскиз приспособления с двумя пальцами для кронштейна
- Продавец: alexey_ktop
- Модель: 5286441
- Наличие: Есть в наличии
-
109р.




