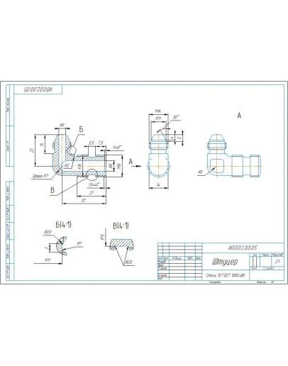
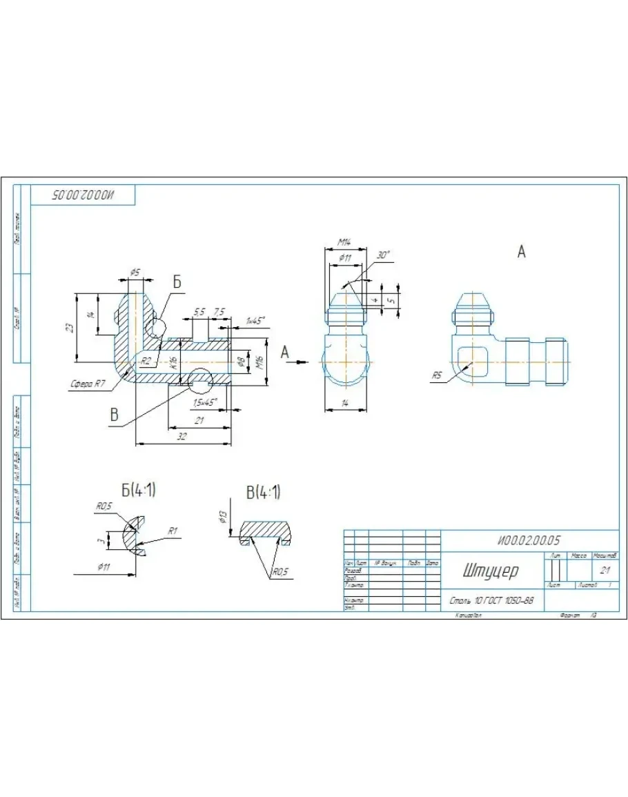
Рабочий чертеж детали штуцер И00.02.00.05 из сборки И0062.00.00 клапан челночный УГ-07. Чертеж выполнен в программе Компас 3D.
И00.02.00.05 штуцер - чертеж детали
- Продавец: alexey_ktop
- Модель: 5548185
- Наличие: Есть в наличии
-
146р.




