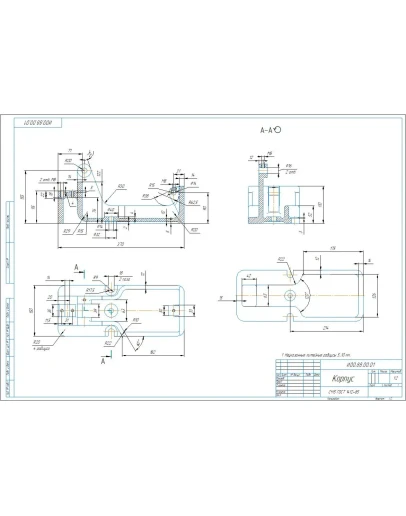
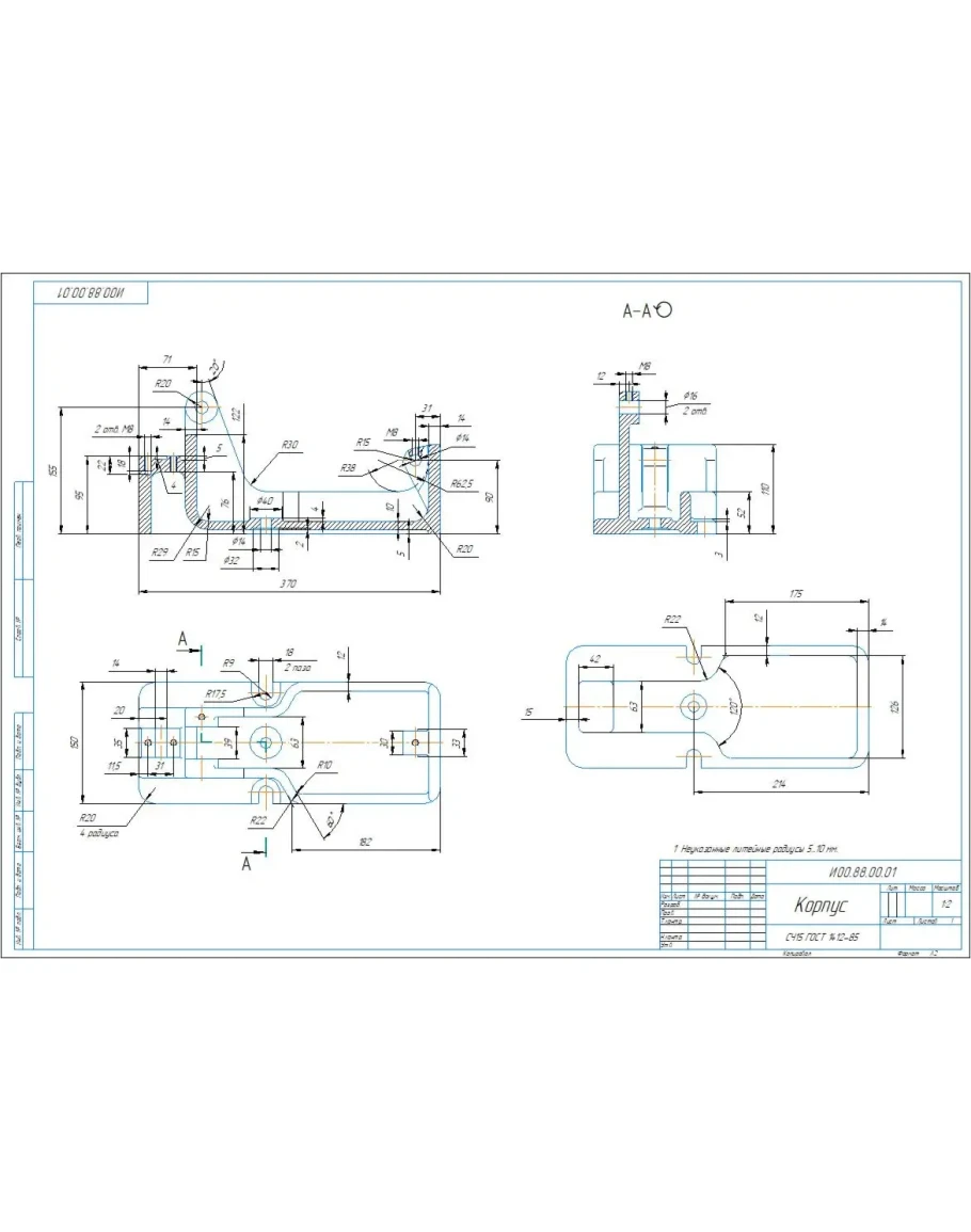
Рабочий чертеж детали корпус И00.88.00.01 из сборки И00.88.00.00 приспособление для захвата прутков 19. Чертеж выполнен в программе Компас 3D
И00.88.00.01 корпус - чертеж детали
- Продавец: alexey_ktop
- Модель: 5527736
- Наличие: Есть в наличии
-
319р.




