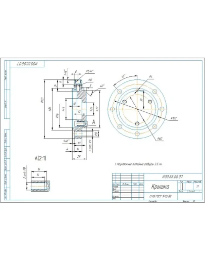
Рабочий чертеж детали крышка И00.88.00.07 из сборки И00.88.00.00 приспособление для захвата прутков 19. Чертеж выполнен в программе Компас 3D
И00.88.00.07 крышка - чертеж детали
- Продавец: alexey_ktop
- Модель: 5527737
- Наличие: Есть в наличии
-
219р.




