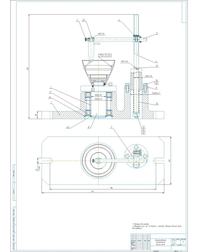
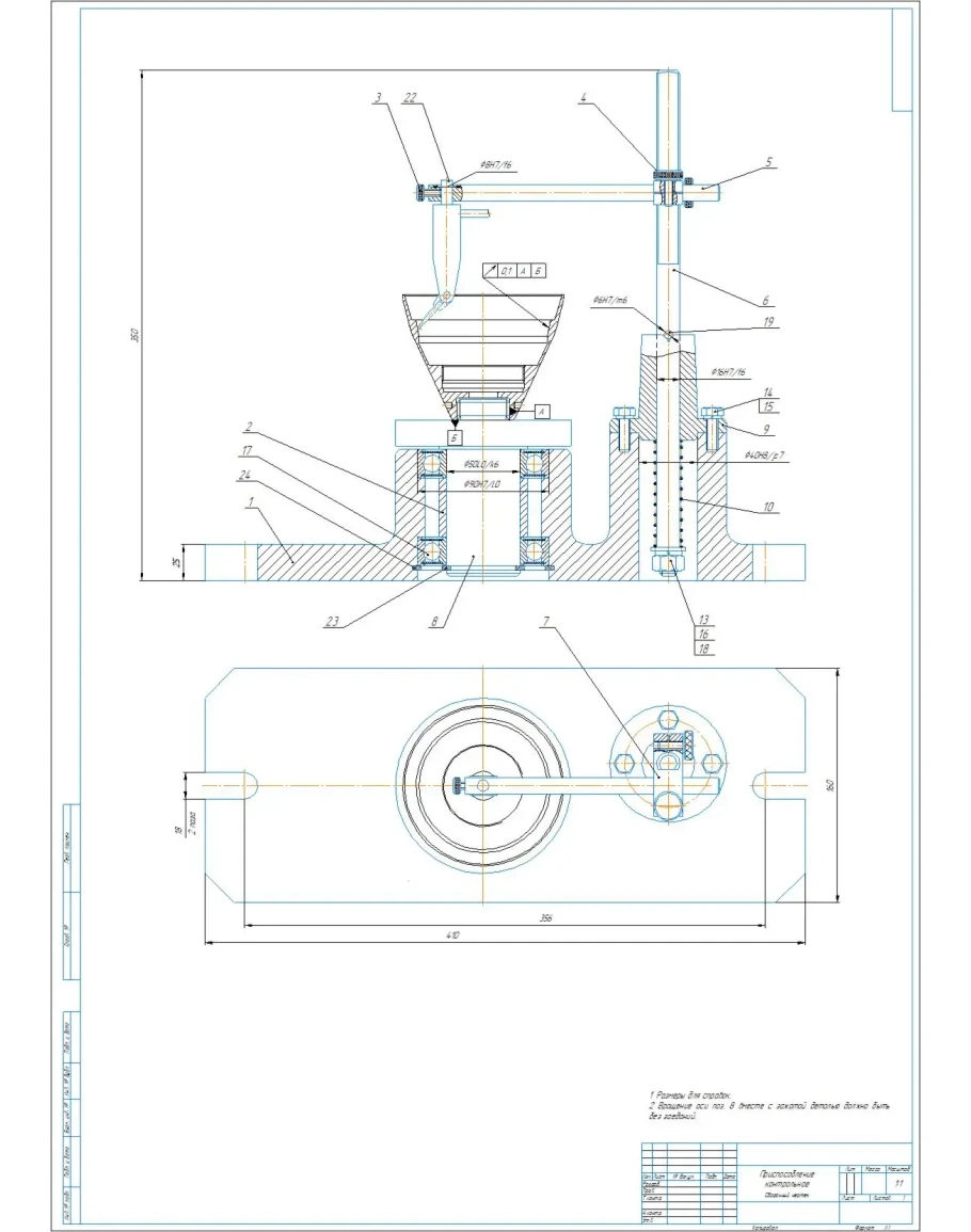
Сборочный чертеж со спецификацией на приспособление контрольное (КИП) для контроля радиального биения в детали обтекатель. Чертеж выполнен в компасе
Контрольное приспособление для радиального биения
- Продавец: alexey_ktop
- Модель: 5291325
- Наличие: Есть в наличии
-
273р.






