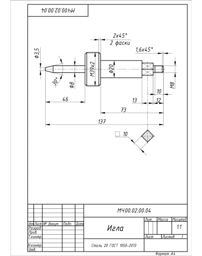
Рабочий чертеж детали игла МЧ00.02.00.04 в AutoCAD из сборки МЧ00.02.00.00 альбома по деталированию Боголюбова
МЧ00.02.00.04 игла. Рабочий чертеж детали в AutoCAD
- Продавец: alexey_ktop
- Модель: 4521617
- Наличие: Есть в наличии
-
108р.




