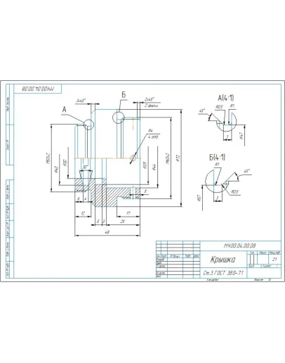
Рабочий чертеж детали крышка МЧ00.04.00.08 из сборки МЧ00.04.00.00 зажим гидравлический из альбома по деталированию Боголюбова. Чертеж выполнен в программе Компас
МЧ00.04.00.08 крышка - чертеж детали
- Продавец: alexey_ktop
- Модель: 5441009
- Наличие: Есть в наличии
-
173р.




