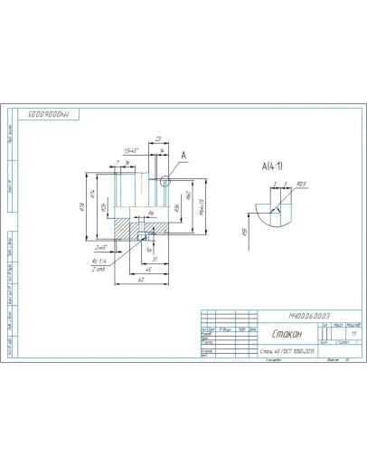
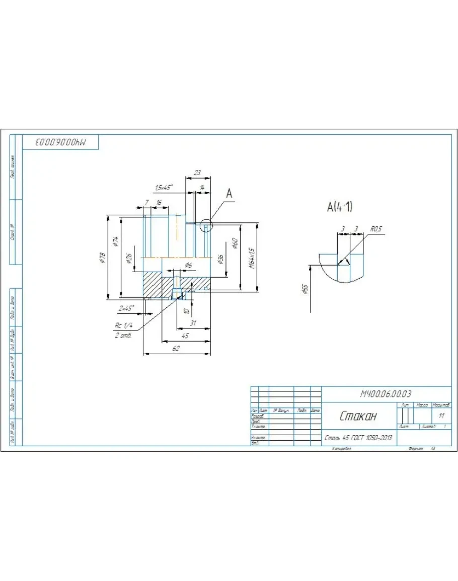
Рабочий чертеж детали стакан МЧ00.06.00.03 из сборки МЧ00.06.00.00 альбома по деталированию Боголюбова. Чертеж выполнен в программе Компас
МЧ00.06.00.03 стакан - Чертеж детали
- Продавец: alexey_ktop
- Модель: 5404618
- Наличие: Есть в наличии
-
164р.




