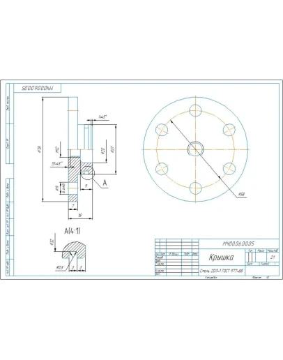
Рабочий чертеж детали крышка МЧ00.06.00.05 из сборки МЧ00.06.00.00 альбома по деталированию Боголюбова. Чертеж выполнен в Компасе
МЧ00.06.00.05 крышка - Чертеж детали
- Продавец: alexey_ktop
- Модель: 5404609
- Наличие: Есть в наличии
-
155р.




