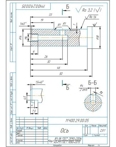
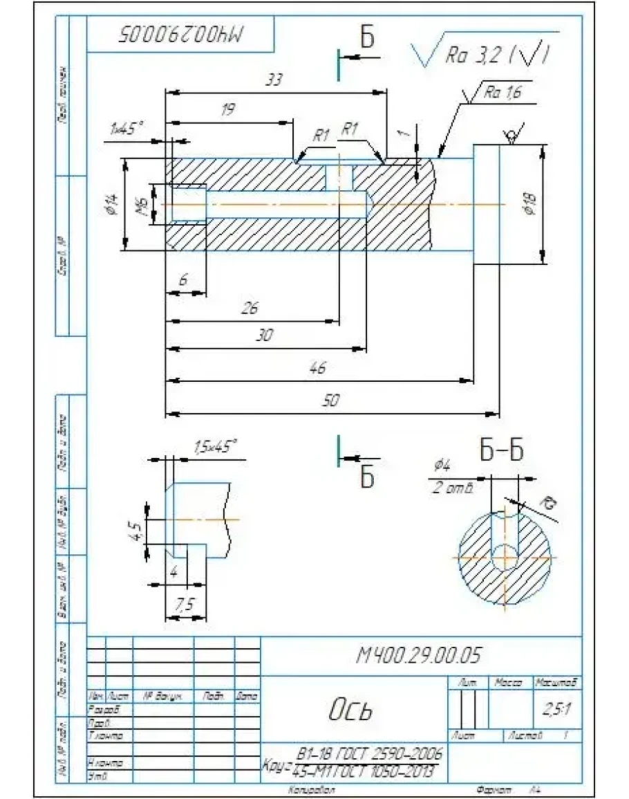
Рабочий чертеж детали ось МЧ00.29.00.05 в компасе из сборки МЧ00.29.00.00 альбома по деталированию Боголюбова
МЧ00.29.00.05 ось. Рабочий чертеж детали в компасе
- Продавец: alexey_ktop
- Модель: 4524112
- Наличие: Есть в наличии
-
108р.




