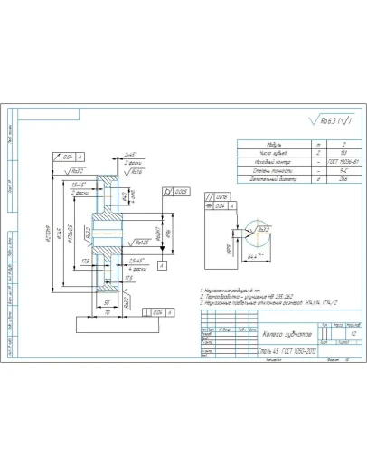
Рабочий чертеж детали колесо зубчатое с параметрами зубчатого венца: модуль m=2 мм, число зубьев z=133 шт. Чертеж выполнен в Компас 3D
Рабочий чертеж детали колесо зубчатое m2 z133
- Продавец: alexey_ktop
- Модель: 5347813
- Наличие: Есть в наличии
-
137р.




