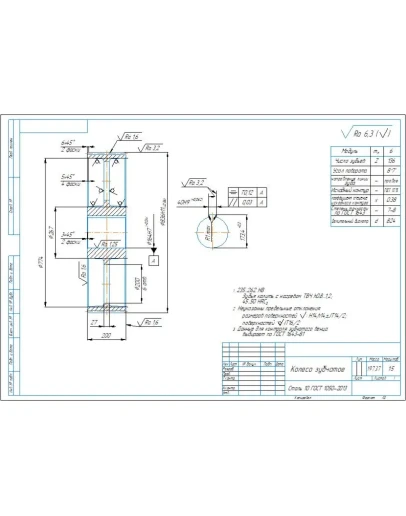
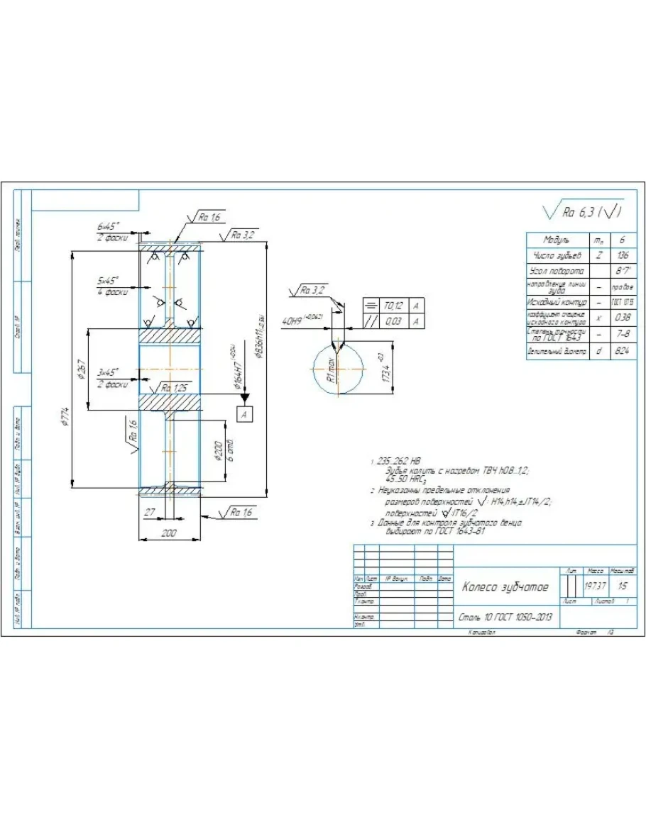
Рабочий чертеж колеса зубчатого косозубого в программе Компас 3D. Параметры зубчатого венца: модуль m=6 мм, число зубьев z=136 шт.
Рабочий чертеж детали "Колесо зубчатое", m6, z136
- Продавец: alexey_ktop
- Модель: 5347938
- Наличие: Есть в наличии
-
137р.




