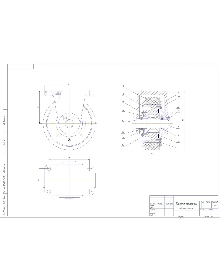
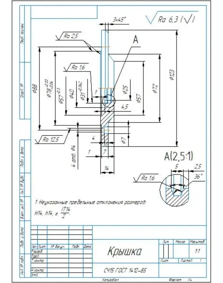
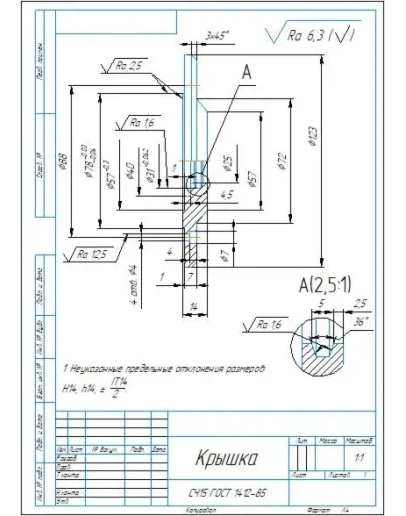
Рабочий чертеж детали крышка колеса тележки в программе Компас 3D. Также приложена картинка сборочного чертежа тележки откуда делался чертеж крышки.

Написать отзыв

Примечание: HTML разметка не поддерживается! Используйте обычный текст.
   Плохо           Хорошо

Рабочий чертеж детали крышка колеса тележки в компасе

  • Продавец: alexey_ktop
  • Модель: 5404248
  • Наличие: Есть в наличии
  • 122р.

Рекомендуемые