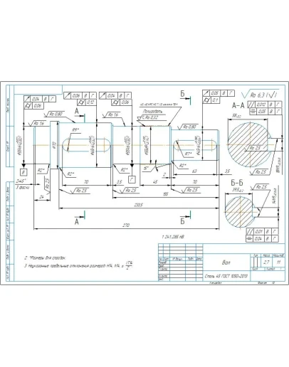
Рабочий чертеж детали вал редуктора тихоходный с посадочными шейками под подшипники качения 55 мм в программе Компас 3D
Рабочий чертеж детали вал редуктора d55 в компасе
- Продавец: alexey_ktop
- Модель: 5345311
- Наличие: Есть в наличии
-
137р.




