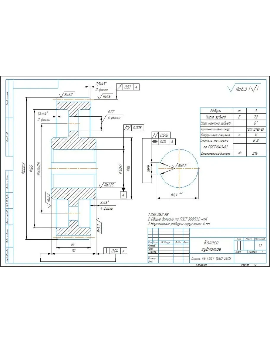
Сборочный чертеж редуктора цилиндрического одноступенчатого с параметрами: межосевое расстояние a=135 мм, модуль зацепления m=3 мм, передаточное отношение u=4. Также приложены рабочие чертежи вала и зубчатого колеса. Чертежи выполнены в компасе
Редуктор редуктор цилиндрический одноступенчатый. a135
- Продавец: alexey_ktop
- Модель: 5347789
- Наличие: Есть в наличии
-
310р.






