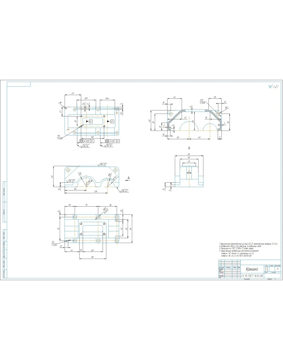
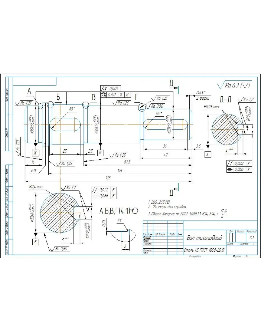
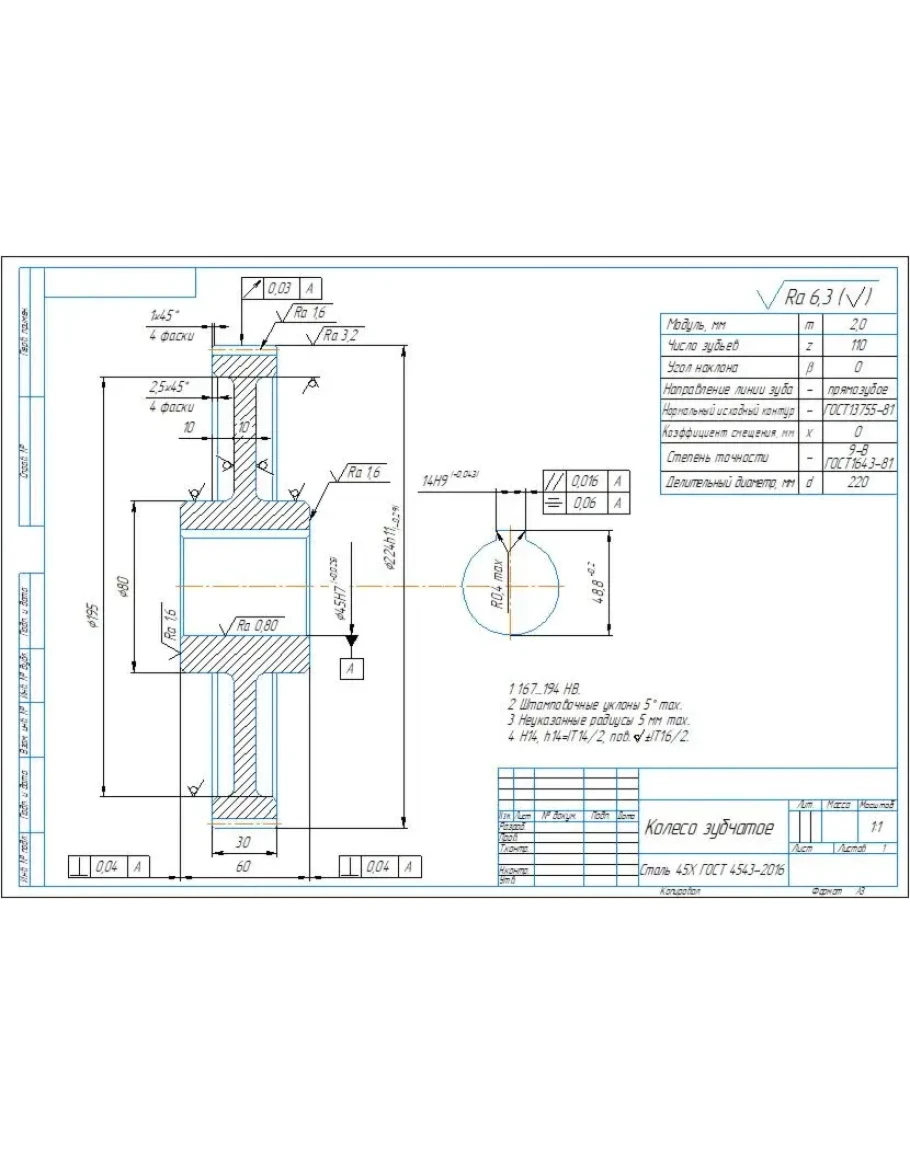
Сборочный чертеж и спецификация редуктора цилиндрического одноступенчатого с параметрами: межосевое расстояние a=63 мм, модуль зацепления m=1,5 мм, передаточное отношение u=4. Также приложены рабочие чертежи вала-шестерни, вала тихоходного, зубчатого колеса и крышки редуктора. Чертежи и спецификация выполнены в компасе
Редуктор редуктор цилиндрический одноступенчатый a63
- Продавец: alexey_ktop
- Модель: 5347793
- Наличие: Есть в наличии
-
456р.










