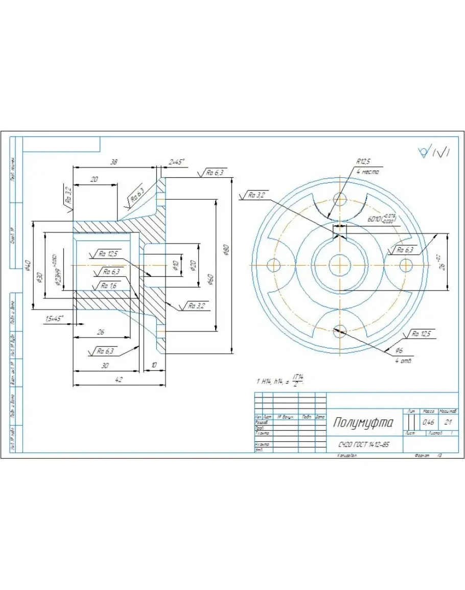
Технологический процесс изготовления детали "Полумуфта" в виде технологических карт: маршрутных, операционных, карт эскизов. Карты выполнены в Word. Также приложен рабочий чертеж детали полумуфта и ее 3д-модель. Чертеж и модель выполнены в компасе.
Технологические карты изготовления детали полумуфта
- Продавец: alexey_ktop
- Модель: 5301718
- Наличие: Есть в наличии
-
372р.







