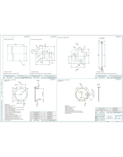
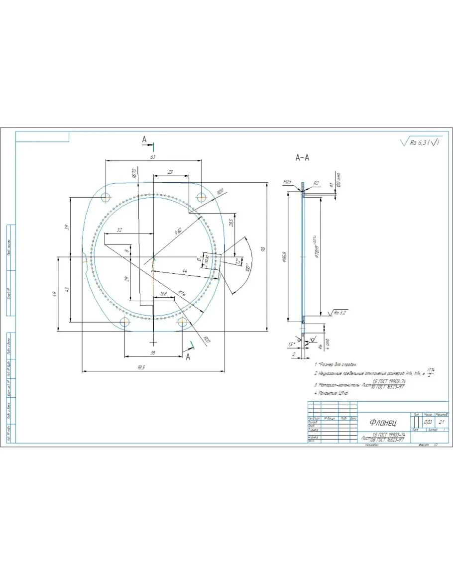
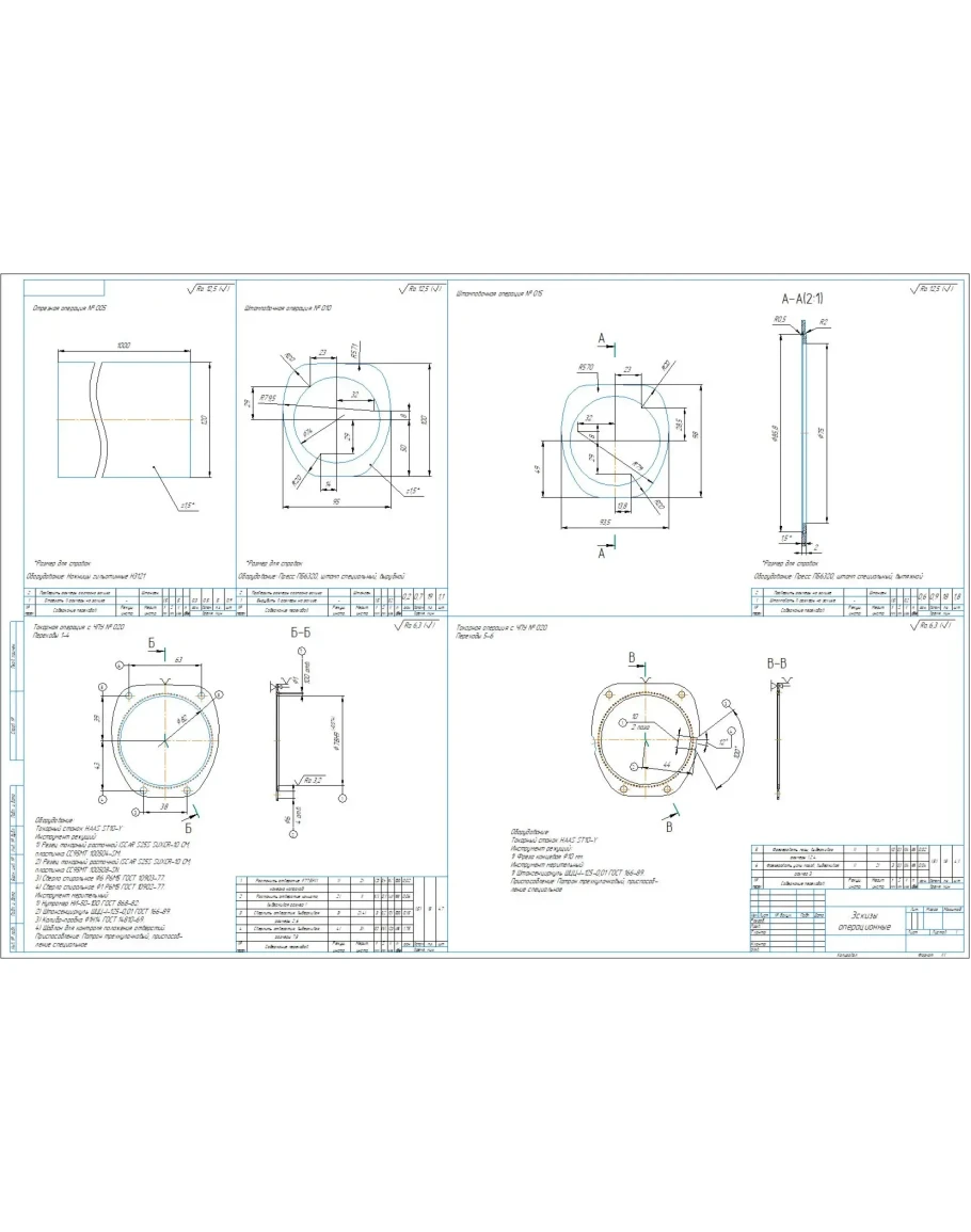
Технологический процесс изготовления детали фланец в виде операционных эскизов на формате А1 с эскизами, оборудованием, инструментами, режимами резания. Также приложены рабочий чертеж детали и ее трехмерная модель. Чертежи и модель выполнены в компасе. В модели отсутствует дерево построения.
Технологический процесс изготовления детали "Фланец"
- Продавец: alexey_ktop
- Модель: 5301604
- Наличие: Есть в наличии
-
281р.






