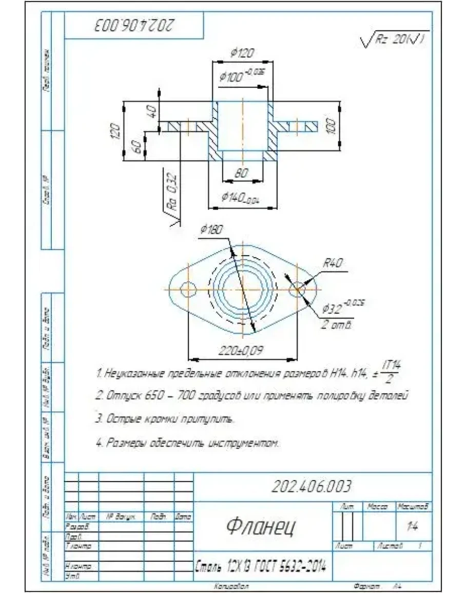
Карты технологического процесса изготовления детали фланец: маршрутные карты, операционные карты, карты эскизов. Карты выполнены в ворде. Также приложен рабочий чертеж детали фланец в компасе.
Технологический процесс изготовления детали фланец
- Продавец: alexey_ktop
- Модель: 5322945
- Наличие: Есть в наличии
-
393р.






