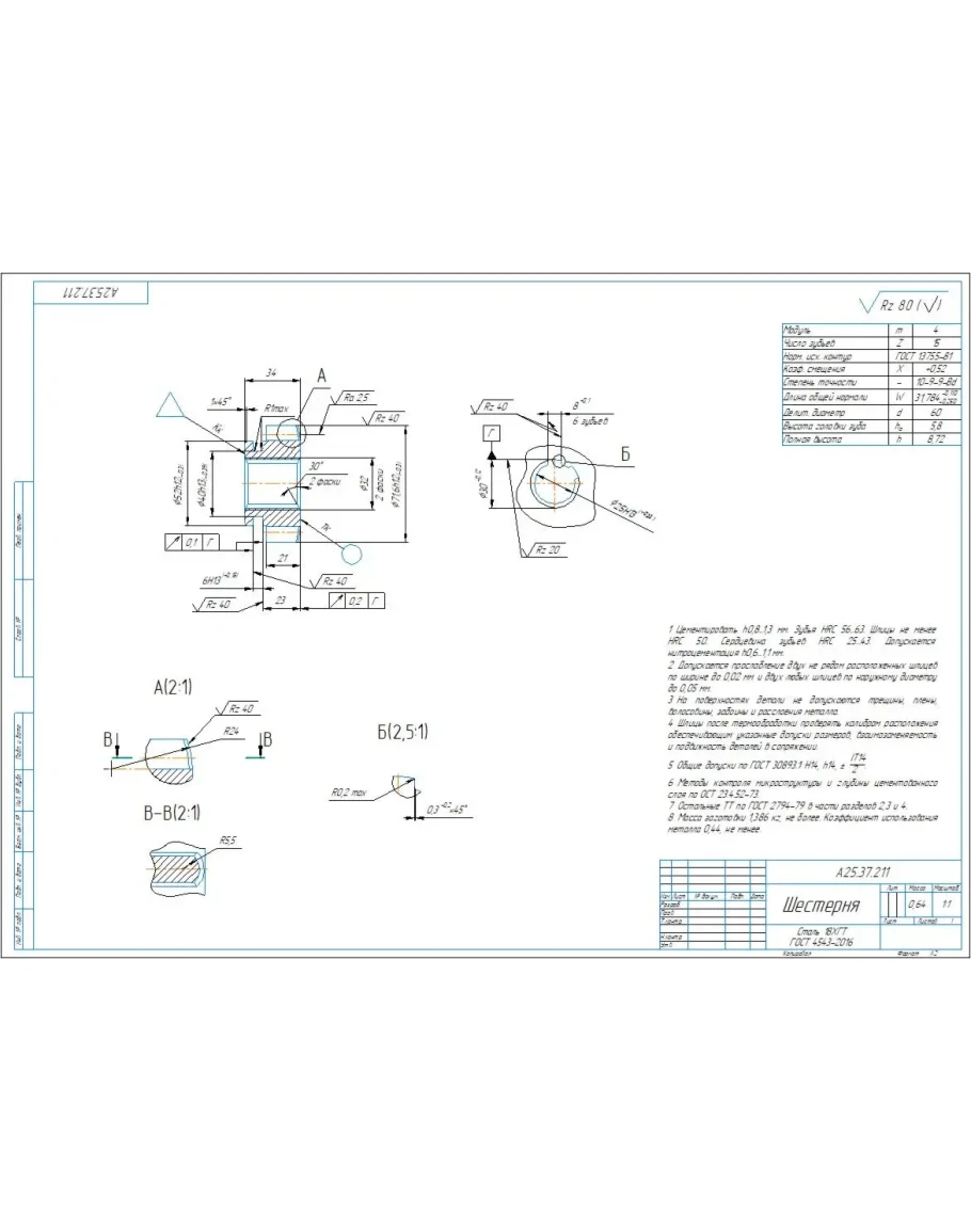
Комплект технологических карт на изготовление детали шестерня А25.37.211: маршрутные карты, операционные карты, карты эскизов, контрольная карта. Карты выполнены в ворде. Также приложены чертежи детали и заготовки. Чертежи выполнены в компасе.

Написать отзыв

Примечание: HTML разметка не поддерживается! Используйте обычный текст.
   Плохо           Хорошо

Технологический процесс изготовления детали шестерня

  • Продавец: alexey_ktop
  • Модель: 5301734
  • Наличие: Есть в наличии
  • 449р.

Рекомендуемые