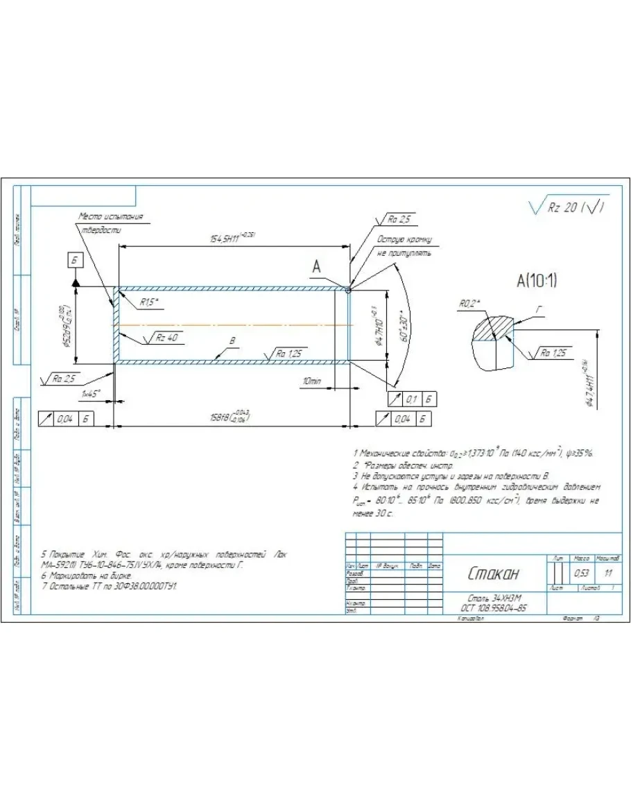
Технологический процесс изготовления детали стакан в виде последовательности операций на формате А1. Также приложены рабочий чертеж детали и чертеж заготовки. Все чертежи выполнены в компасе.
Технологический процесс изготовления детали стакан
- Продавец: alexey_ktop
- Модель: 5291137
- Наличие: Есть в наличии
-
241р.






