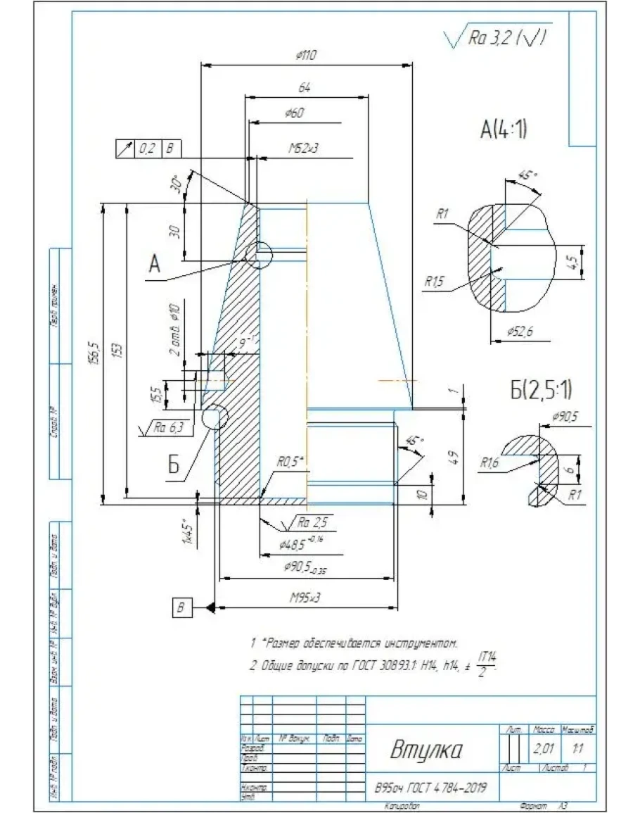
Технологический процесс изготовления детали втулка конусная в виде чертежа на формате А1 с перечнем операций, переходов, режущего, измерительного инструментов, режимов резания, операционных эскизов. Также приложен рабочий чертеж детали втулка. Чертежи выполнены в компасе.

Написать отзыв

Примечание: HTML разметка не поддерживается! Используйте обычный текст.
   Плохо           Хорошо

Технологический процесс изготовления детали "Втулка"

  • Продавец: alexey_ktop
  • Модель: 5327911
  • Наличие: Есть в наличии
  • 337р.

Рекомендуемые