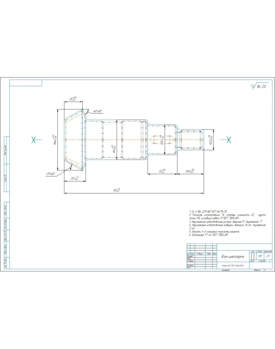
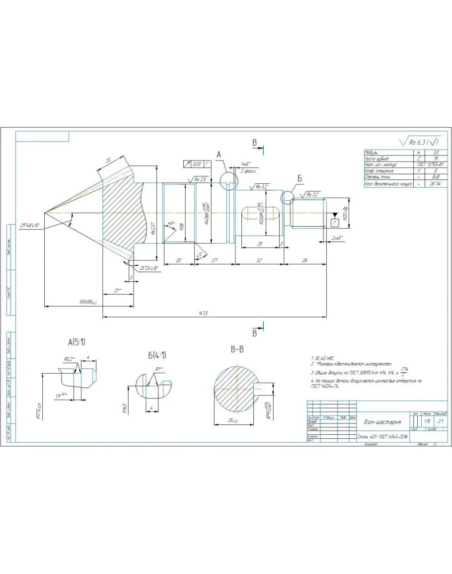
Технологический процесс изготовления детали вал-шестерня коническая в виде технологических карт: маршрутные карты, операционные карты, карты эскизов. Также приложены рабочий чертеж детали, чертеж заготовки, технологические наладки. Карты выполнены в ворде, чертежи в компасе
Технологический процесс изготовления вал-шестерня
- Продавец: alexey_ktop
- Модель: 5311743
- Наличие: Есть в наличии
-
426р.








