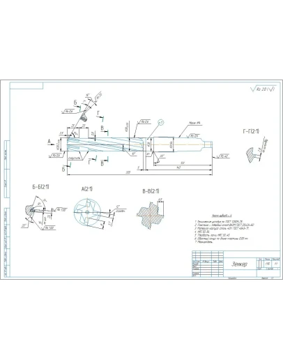
Рабочий чертеж зенкера с твердосплавными пластинками для обработки отверстий диаметром 28,2 мм. Чертеж выполнен в компасе.
Зенкер с твердосплавными пластинками. Рабочий чертеж
- Продавец: alexey_ktop
- Модель: 4566565
- Наличие: Есть в наличии
-
130р.




