Д4-15 (Задание 2) Диевский
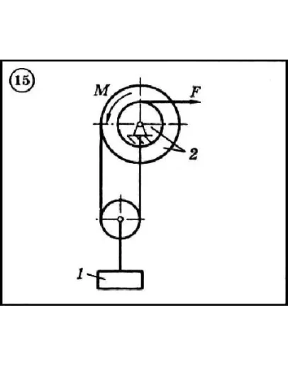
Для представленной на рисунке схеме используя принцип Лагранжа, определить величину силы F (при наличии трения - максимальное значение этой величины), при которой механическая система будет находиться в равновесии. Исходные данные: вес груза G = 20 кН, вращающий момент M = 1 кНм, радиус барабана R2 = 0,4м (у двойного барабана имеется также r2 = 0,2м), угол α = 300 и коэффициент трения скольжения f = 0,5. Ненумерованные блоки и катки считать невесомыми. Трением на осях барабана и блоков пренебречь.
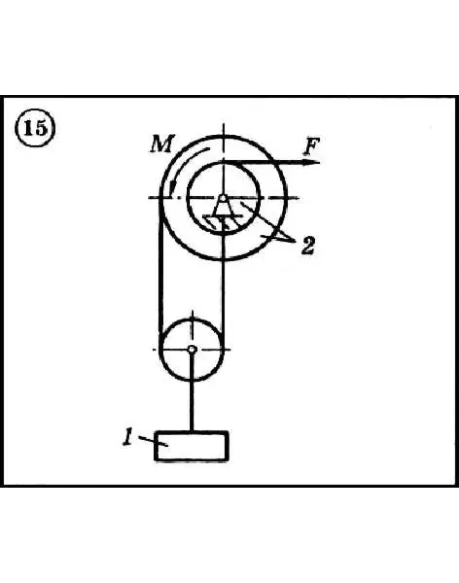
Для представленной на рисунке схеме используя принцип Лагранжа, определить величину силы F (при наличии трения - максимальное значение этой величины), при которой механическая система будет находиться в равновесии. Исходные данные: вес груза G = 20 кН, вращающий момент M = 1 кНм, радиус барабана R2 = 0,4м (у двойного барабана имеется также r2 = 0,2м), угол α = 300 и коэффициент трения скольжения f = 0,5. Ненумерованные блоки и катки считать невесомыми. Трением на осях барабана и блоков пренебречь.
Диевский В.А. - Решение задачи Д4 вариант 15 задание 2
- Продавец: Михаил_Перович
- Модель: 2360757
- Наличие: Есть в наличии
-
60р.




