Д6-09 Диевский
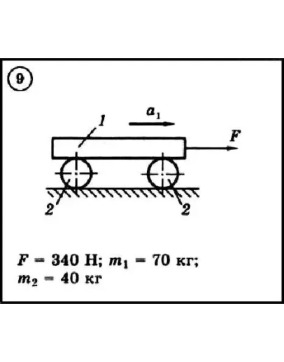
Для приведенной на схеме механической системы, используя уравнения Лагранжа второго рода, определить указанное на схеме угловое ускорение или линейное ускорение. Нити невесомы и нерастяжимы. Принятые обозначения: m - массы тел, R и r - радиусы, ρ - радиус инерции (если он не указан, тело считать однородным цилиндром); при наличии трения указываются: f - коэффициент трения скольжения, fk - коэффициент трения качения.
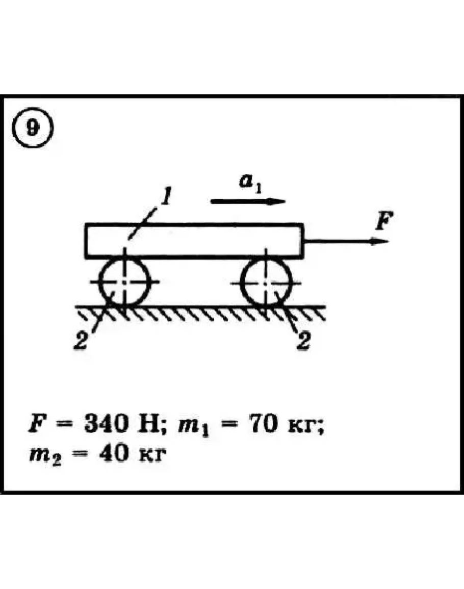
Для приведенной на схеме механической системы, используя уравнения Лагранжа второго рода, определить указанное на схеме угловое ускорение или линейное ускорение. Нити невесомы и нерастяжимы. Принятые обозначения: m - массы тел, R и r - радиусы, ρ - радиус инерции (если он не указан, тело считать однородным цилиндром); при наличии трения указываются: f - коэффициент трения скольжения, fk - коэффициент трения качения.
Диевский В.А. - Решение задачи Д6 вариант 9 (Д6-09)
- Продавец: Михаил_Перович
- Модель: 2363089
- Наличие: Есть в наличии
-
60р.




