Д7-25 (Задание 2) Диевский
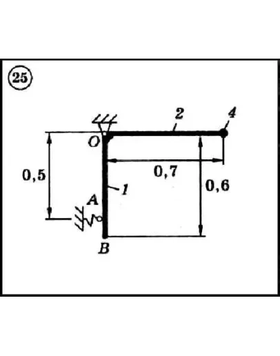
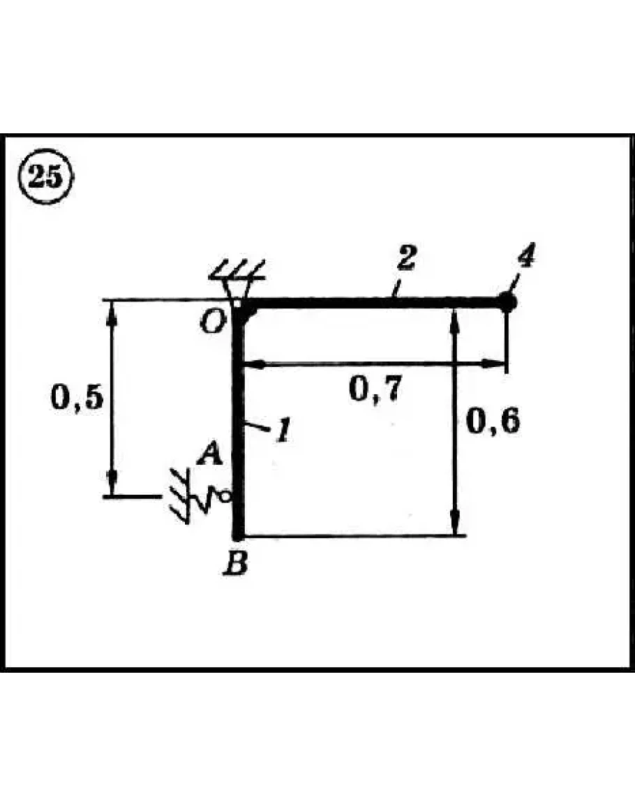
Механическая система снабжается невесомым вязким демпфером, который устанавливается в точке B параллельно оси упругого элемента, и создает силу сопротивления, пропорциональную скорости точки B: R = -bvB, где b = 20 Нс/м - коэффициент сопротивления. Кроме того, на систему начинает действовать вынуждающая сила F = F0 sin pt, где F0 = 60 Н, p = 25 c-1 - амплитуда и частота вынуждающей силы. Вынуждающая сила приложена в точке B и действует параллельно оси упругого элемента. (Если точка B совпадает с точкой А, на схеме указывается B = A). Требуется определить амплитуду чисто вынужденных колебаний системы.
Механическая система снабжается невесомым вязким демпфером, который устанавливается в точке B параллельно оси упругого элемента, и создает силу сопротивления, пропорциональную скорости точки B: R = -bvB, где b = 20 Нс/м - коэффициент сопротивления. Кроме того, на систему начинает действовать вынуждающая сила F = F0 sin pt, где F0 = 60 Н, p = 25 c-1 - амплитуда и частота вынуждающей силы. Вынуждающая сила приложена в точке B и действует параллельно оси упругого элемента. (Если точка B совпадает с точкой А, на схеме указывается B = A). Требуется определить амплитуду чисто вынужденных колебаний системы.
Диевский В.А. - Решение задачи Д7 вариант 25 задание 2
- Продавец: Михаил_Перович
- Модель: 2363803
- Наличие: Есть в наличии
-
100р.




