Д7-03 (Задание 1) Диевский
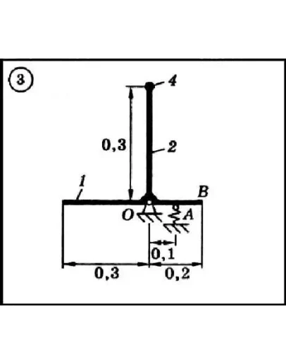
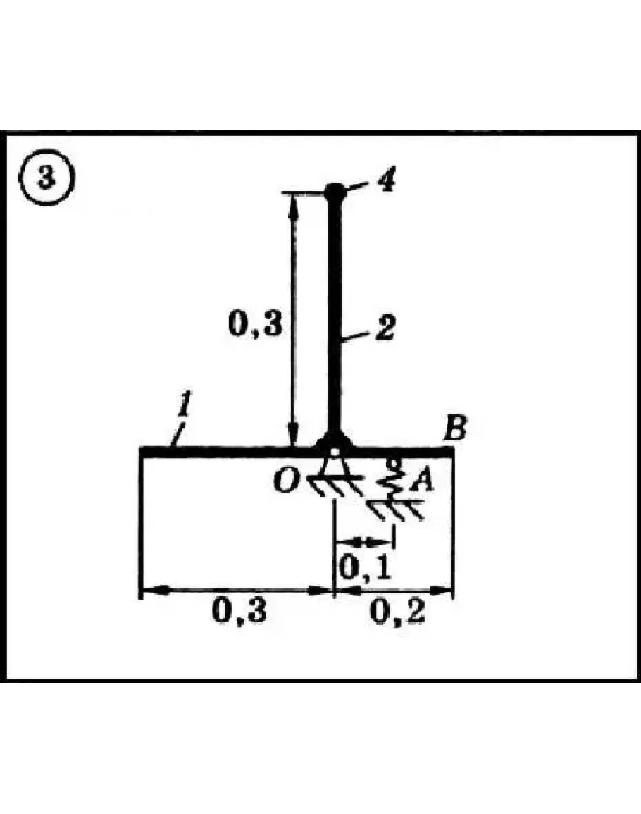
Для приведенной на схеме механической системы определить собственную частоту колебаний. Механическая система, показанная на схеме в положении равновесия, может совершать свободные колебания, вращаясь вокруг горизонтальной оси z, проходящей через неподвижную точку O. Система состоит из жестко скрепленных друг с другом тел: тонких однородных стержней 1 и 2 или однородной пластины 3 и точечного груза 4. Масса 1 м длины стержней равна 25 кг, масса 1 м2 площади пластины - 50 кг, масса точечного груза - 20 кг. Упругие элементы имеют коэффициент жесткости c = 10кН/м. Размеры частей системы указаны в метрах.
Для приведенной на схеме механической системы определить собственную частоту колебаний. Механическая система, показанная на схеме в положении равновесия, может совершать свободные колебания, вращаясь вокруг горизонтальной оси z, проходящей через неподвижную точку O. Система состоит из жестко скрепленных друг с другом тел: тонких однородных стержней 1 и 2 или однородной пластины 3 и точечного груза 4. Масса 1 м длины стержней равна 25 кг, масса 1 м2 площади пластины - 50 кг, масса точечного груза - 20 кг. Упругие элементы имеют коэффициент жесткости c = 10кН/м. Размеры частей системы указаны в метрах.
Диевский В.А. - Решение задачи Д7 вариант 3 задание 1
- Продавец: Михаил_Перович
- Модель: 2363119
- Наличие: Есть в наличии
-
60р.




