Курсовой проект по дисциплине Технологическая оснастка. Выполнены следующие задания: 1) Разработать специальное станочное устройство с механизированным зажимом для механической обработки отверстия ø42Н7.
2) Разработать универсальное перенастраиваемое устройство с ручным зажимом для механической обработки отверстия ø30Н7.
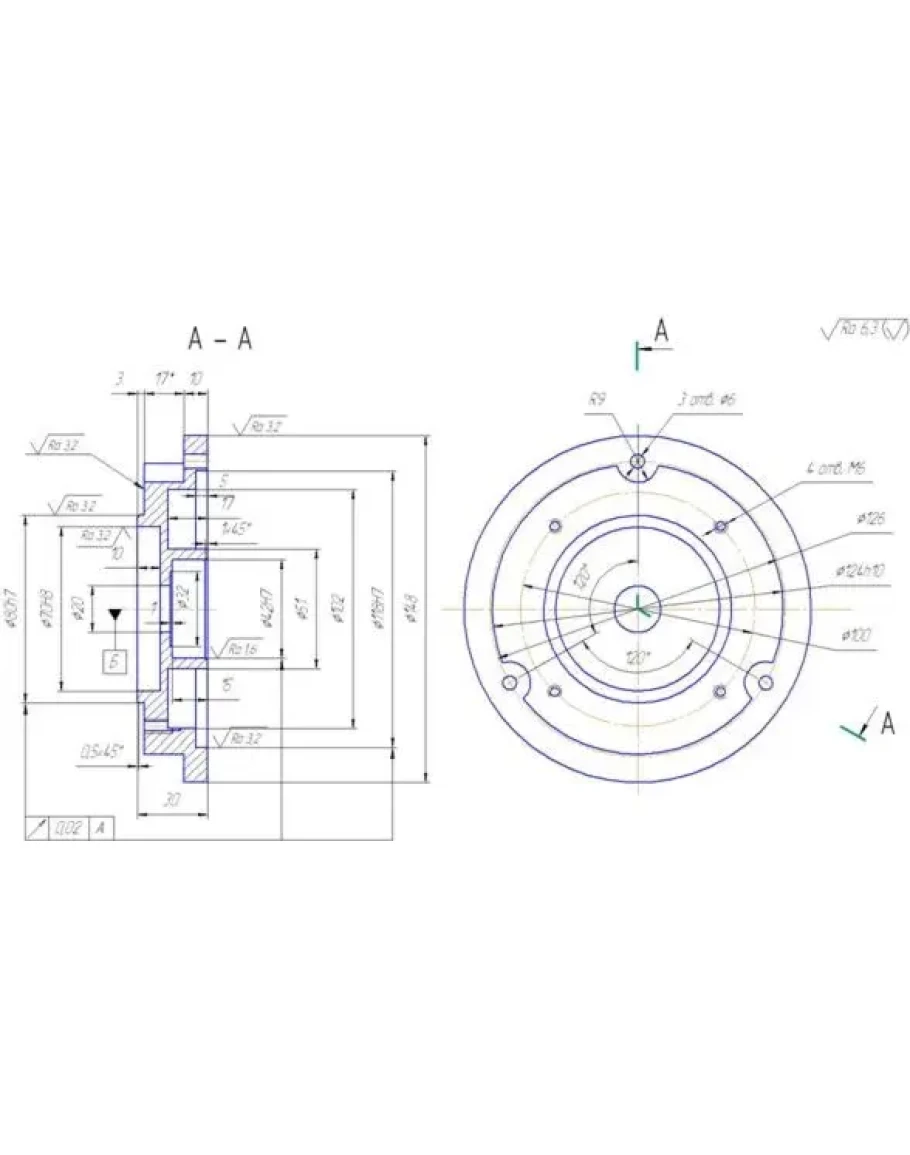
3) Разработать контрольное устройство для измерения радиального биения внутренней поверхности ø118Н7 относительно базы «А».
Курсовой выполнен по всем правилам и содержит все необходимые чертежи, спецификации.
2) Разработать универсальное перенастраиваемое устройство с ручным зажимом для механической обработки отверстия ø30Н7.
3) Разработать контрольное устройство для измерения радиального биения внутренней поверхности ø118Н7 относительно базы «А».
Курсовой выполнен по всем правилам и содержит все необходимые чертежи, спецификации.




