Курсовой проект по дисциплине "Процессы и аппараты химической технологии"
Тема: "Расчет барабанной сушилки"
Исходные данные:
1. Температура сушильного агента на входе в барабан – tг = 550ºC;
2. Эквивалентный диаметр частиц материала – dч = 0,30 мм;
3. Производительность установки по высушенному материалу – Gк = 0,65 т/ч;
4. Начальное влагосодержание материала в расчете на сухой вес – uн = 65 %;
5. Конечное влагосодержание материала в расчете на сухой вес – uк = 7,5 %;
6. Начальное влагосодержание воздуха – xо = 10 г/кг;
7. Высушиваемый материал – речной песок.
8. В качестве топлива используют природный сухой газ следующего состава:
CH4 – 92,0%; C2H6 – 0,5%; H2 – 5%; CO – 1%; N2 – 1,5%.
Содержание ПЗ:
Введение
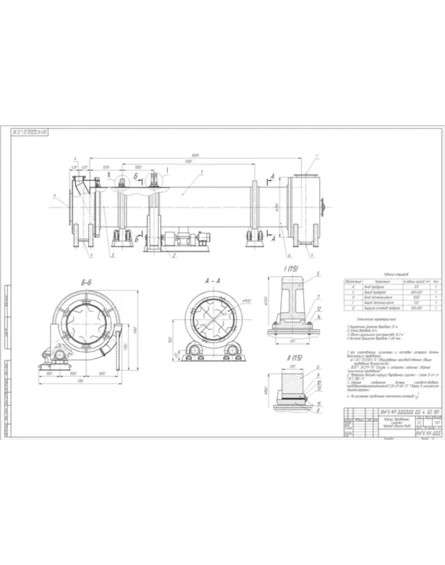
1. Технологическая схема
2. Расчетная часть
2.1. Расчет основного оборудования
2.1.1. Параметры топочных газов, подаваемых в сушилку
2.1.2. Материальный баланс
2.1.3. Параметры отработанных газов. Расход сушильного агента
2.1.4. Определение основных размеров сушильного барабана
3. Выбор вспомогательного оборудования
3.1. Выбор вентилятора
3.2. Выбор циклона
Заключение
Список используемой литературы
Приложение
Тема: "Расчет барабанной сушилки"
Исходные данные:
1. Температура сушильного агента на входе в барабан – tг = 550ºC;
2. Эквивалентный диаметр частиц материала – dч = 0,30 мм;
3. Производительность установки по высушенному материалу – Gк = 0,65 т/ч;
4. Начальное влагосодержание материала в расчете на сухой вес – uн = 65 %;
5. Конечное влагосодержание материала в расчете на сухой вес – uк = 7,5 %;
6. Начальное влагосодержание воздуха – xо = 10 г/кг;
7. Высушиваемый материал – речной песок.
8. В качестве топлива используют природный сухой газ следующего состава:
CH4 – 92,0%; C2H6 – 0,5%; H2 – 5%; CO – 1%; N2 – 1,5%.
Содержание ПЗ:
Введение
1. Технологическая схема
2. Расчетная часть
2.1. Расчет основного оборудования
2.1.1. Параметры топочных газов, подаваемых в сушилку
2.1.2. Материальный баланс
2.1.3. Параметры отработанных газов. Расход сушильного агента
2.1.4. Определение основных размеров сушильного барабана
3. Выбор вспомогательного оборудования
3.1. Выбор вентилятора
3.2. Выбор циклона
Заключение
Список используемой литературы
Приложение






