Massimo86
23. Найдите концентрацию молекул кислорода, если их сре
23. Найдите концентрацию молекул кислорода, если их средняя квадратичная скорость равна 400 м/с, а д..
30р.
23. Найдите формулу соединения бора с водородом (борана
23. Найдите формулу соединения бора с водородом (борана), имеющего состав в массовых долях процента:..
30р.
23. Определите емкость подуровня, для которого магнитн
23. Определите емкость подуровня, для которого магнитное квантовое число принимает пять значений...
20р.
23. Определите изменение поверхностной энергии Е
23. Определите изменение поверхностной энергии ΔЕ мыльного пузыря при изотермическом увеличении его ..
30р.
23. Определите показатель преломления стекла, если при
23. Определите показатель преломления стекла, если при отражении от него света отраженный луч полнос..
30р.
23. Определить импульс Pe электрона отдачи, если фотон
23. Определить импульс Pe электрона отдачи, если фотон с энергией ε=1,53 МэВ в результате рассеяния ..
30р.
23. Определить относительное удлинение медного стержня
23. Определить относительное удлинение медного стержня, если при его растяжении затрачена работа 0,1..
20р.
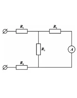
23. Определить силу тока, проходящего через амперметр
23. Определить силу тока, проходящего через амперметр, если напряжение U=15 В, R1=R4=5 Ом, R2=R3=10 ..
30р.
23. Плоская волна распространяется вдоль прямой, совпад
23. Плоская волна распространяется вдоль прямой, совпадающей с положительным направлением оси х в ср..
30р.
23. По двум бесконечно длинным прямолинейным параллельн
23. По двум бесконечно длинным прямолинейным параллельным проводникам, расстояние между которыми 15 ..
30р.
23. Полная энергия тела возросла на E 1 Дж. На
23. Полная энергия тела возросла на ΔE = 1 Дж. На сколько при этом изменится масса тела?..
10р.
23. Проволочное кольцо радиусом r10 см лежит на столе.
23. Проволочное кольцо радиусом r=10 см лежит на столе. Какое количество электричества Q протечет по..
30р.
23. Работа выхода электрона из металла А 2,5 эВ. Опре
23. Работа выхода электрона из металла А = 2,5 эВ. Определить скорость вылетающего из металла электр..
20р.
23. Расстояние между двумя когерентными источниками d
23. Расстояние между двумя когерентными источниками d = 0,9 мм. Источники, испускающие монохроматиче..
30р.
23. Рассчитать радиус дуантов циклотрона, индукция магн
23. Рассчитать радиус дуантов циклотрона, индукция магнитного поля в котором 1 Тл, если он предназна..
30р.





