Massimo86
6. Два цилиндрических проводника одинаковой длины и оди
6. Два цилиндрических проводника одинаковой длины и одинакового сечения, один из меди, а другой из ж..
30р.
6. Идеальный газ количеством вещества 2 моль с
6. Идеальный газ количеством вещества ν = 2 моль совершает цикл, состоящий из двух изохор и двух изо..
30р.
6. Из 17,55 г хлорида натрия получили сульфатным способ
6. Из 17,55 г хлорида натрия получили сульфатным способом хлороводород, который пропустили через рас..
30р.
6. Какие свойства может проявлять пероксид водорода в о
6. Какие свойства может проявлять пероксид водорода в окислительно-восстановительных реакциях? Почем..
30р.
6. Какой ароматический углеводород образуется в качеств
6. Какой ароматический углеводород образуется в качестве конечного продукта реакции при длительном п..
30р.
6. Катушка и амперметр соединены последовательно и подк
6. Катушка и амперметр соединены последовательно и подключены к источнику тока. К клеммам катушки пр..
30р.
6. Коленами вертикально расположенной U-образной трубки
6. Коленами вертикально расположенной U-образной трубки являются капилляры с радиусами r1 = 3,6 мм и..
30р.
6. Колесо, вращаясь с постоянным ускорением 3,3 рад/с2
6. Колесо, вращаясь с постоянным ускорением 3,3 рад/с2, достигло угловой скорости 20 рад/с. Сколько ..
30р.
6. Магнитный момент pm тонкого проводящего кольца pm
6. Магнитный момент pm тонкого проводящего кольца pm = 5 А•м2. Определить магнитную индукцию В в точ..
30р.
6. На грань стеклянной призмы с преломляющим углом А
6. На грань стеклянной призмы с преломляющим углом А = 50° падает монохроматический луч света под уг..
30р.
6. На наклонную плоскость поместили кубик. Коэффициент
6. На наклонную плоскость поместили кубик. Коэффициент трения кубика о плоскость 0,5. Угол наклона п..
30р.
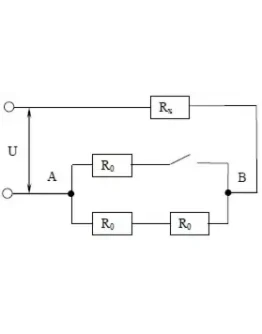
6. На участке АВ в цепи (см. рис.) выделяется одинакова
6. На участке АВ в цепи (см. рис.) выделяется одинаковая мощность при разомкнутом и замкнутом ключе...
30р.
6. Наблюдатель рассматривает светящуюся точку через пло
6. Наблюдатель рассматривает светящуюся точку через плоскопараллельную стеклянную пластинку (n = 1,5..
30р.
6. Написать уравнение результирующего колебания, получа
6. Написать уравнение результирующего колебания, получающегося в результате сложения двух взаимно пе..
30р.
6. Определите работу, совершаемую при подъеме груза мас
6. Определите работу, совершаемую при подъеме груза массой m = 50 кг по наклонной плоскости с углом ..
30р.






