Massimo86
17. Протон прошел ускоряющую разность потенциалов U 30
17. Протон прошел ускоряющую разность потенциалов U =300 В и влетел в однородное магнитное поле (B=2..
30р.
17. Протон, пройдя ускоряющую разность потенциалов U
17. Протон, пройдя ускоряющую разность потенциалов U = 400 В, влетает в однородное магнитное поле с ..
30р.
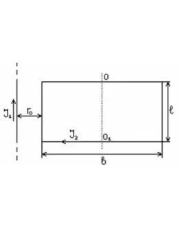
17. Прямой бесконечный ток I1 и прямоугольная рамка дли
17. Прямой бесконечный ток I1 и прямоугольная рамка длиной b и шириной l с током I2 расположены в од..
30р.
17. Расстояние между обкладками плоского воздушного кон
17. Расстояние между обкладками плоского воздушного конденсатора 4 мм. На помещенный между обкладкам..
30р.
17. С поверхности бесконечного равномерно заряженного
17. С поверхности бесконечного равномерно заряженного (τ = 50 нКл/м) прямого цилиндра вылетает α – ч..
30р.
17. Сколько молекул газа содержится в баллоне вместимос
17. Сколько молекул газа содержится в баллоне вместимостью V=30 л при температуре Т = 300 К и давлен..
30р.
17. Смесь пропаналя и акрилового альдегида вступает в р
17. Смесь пропаналя и акрилового альдегида вступает в реакцию с 3,36 л (н. у.) хлороводорода. При об..
30р.
17. Стержень длиной l20 см заряжен равномерно распреде
17. Стержень длиной l=20 см заряжен равномерно распределенным зарядом с линейной плотностью τ=0,2 мк..
30р.
17. Тело массой 2 кг ударяется о неподвижное тело массо
17. Тело массой 2 кг ударяется о неподвижное тело массой 5 кг. Кинетическая энергия системы этих дву..
30р.
17. Температура абсолютно черного тела Т 1000 К. Опре
17. Температура абсолютно черного тела Т = 1000 К. Определить длину волны λ0, на которую приходится ..
20р.
17. Углекислый газ массой m 10 кг адиабатно расширяет
17. Углекислый газ массой m = 10 кг адиабатно расширяется в вакуум от V1 = 1 м3 до V2 = 2 м3. Приним..
30р.
17. Частица находится в одномерной потенциальной яме ши
17. Частица находится в одномерной потенциальной яме шириной l с бесконечно высокими стенками. Запис..
30р.
17. Чем можно объяснить большую восстановительную спосо
17. Чем можно объяснить большую восстановительную способность щелочных металлов. При сплавлении гидр..
20р.
17. Электрон с энергией T400 эВ (в бесконечности) движ
17. Электрон с энергией T=400 эВ (в бесконечности) движется вдоль силовой линии по направлению к пов..
30р.
1700. Вероятность появления события А в каждом отдельно
1700. Вероятность появления события А в каждом отдельном испытании равна 0,75. Вычислить вероятность..
30р.





