Massimo86
Решение задачи по физике раздел 28 пункт 7 молекулярн
7. При какой температуре находится азот, если средняя квадратичная скорость его молекул равна 2250 к..
30р.
Решение задачи по физике раздел 28 пункт 71 молекулярн
71. На какой высоте плотность воздуха в два раза меньше, чем плотность на уровне моря? Считать, что ..
30р.
Решение задачи по физике раздел 28 пункт 72 молекулярн
72. Определить среднюю продолжительность свободного пробега молекул водорода при температуре 300 К и..
30р.
Решение задачи по физике раздел 28 пункт 73 молекулярн
73. Азот массой 1 кг находится при температуре 280 К. Определить:1) внутреннюю энергию молекул азота..
30р.
Решение задачи по физике раздел 28 пункт 74 молекулярн
74. Водород массой 20 г был нагрет на 100 К при постоянном давлении. Определить: 1) количество тепло..
30р.
Решение задачи по физике раздел 28 пункт 75 молекулярн
75. Кислород объемом 2 л находится под давлением 1 МПа. Определить, какое количество теплоты необход..
30р.
Решение задачи по физике раздел 28 пункт 76 молекулярн
76. Некоторый газ массой 2 кг находится при температуре 300 К под давлением 0,5 МПа. В результате из..
30р.
Решение задачи по физике раздел 28 пункт 77 молекулярн
77. Двухатомный идеальный газ занимает объем V1 = 1 л и находится под давлением p1 = 0,1 МПа. После ..
30р.
Решение задачи по физике раздел 28 пункт 78 молекулярн
78. Тепловая машина, совершая обратимый цикл Карно, за один цикл совершает работу 1 кДж. Температура..
30р.
Решение задачи по физике раздел 28 пункт 79 молекулярн
79. Кислород массой m = 250 г, имевший температуру Т1 = 200 К, был адиабатически сжат. При этом была..
30р.
Решение задачи по физике раздел 28 пункт 83 молекулярн
83. Газ, являясь рабочим веществом в цикле Карно, получил от нагревателя количество теплоты Q1 = 4,..
20р.
Решение задачи по физике раздел 28 пункт 92 молекулярн
92. Идеальная тепловая машина работает по циклу Карно, и за один круговой процесс газ совершает рабо..
20р.
Решение задачи по физике раздел 29 пункт 13 квантовая
13. На поверхность воды падает узкий монохроматический пучок γ-лучей с длиной волны 0,775 пм. На как..
30р.
Решение задачи по физике раздел 29 пункт 14 квантовая
14. Вычислить в мегаэлектрон-вольтах энергию ядерной реакции: 5927Co + 10n →602..
20р.
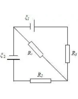
Решение задачи по физике раздел 29 пункт 22 электро
22. Найти силу тока во всех участках цепи, представленной на рисунке. (ξ1 =2,1 В, ξ2 = 1,9 В, R1 = 4..
30р.





