Massimo86
Решение задачи по физике раздел 38 пункт 64 квантовая
64. Энергия, выделяемая при синтезе двух дейтронов с образованием ядра гелия-4, составляет 23,8 МэВ...
30р.
Решение задачи по физике раздел 38 пункт 69 квантовая
69. На сколько процентов уменьшится активность изотопа иридия-192 за 15 суток?..
30р.
Решение задачи по физике раздел 38 пункт 7 волны
7. Радиолокатор обнаружил в море подводную лодку, отражённый сигнал от которой дошёл до него за t=36..
20р.
Решение задачи по физике раздел 38 пункт 74 квантовая
74. Пучок монохроматического электромагнитного излучения длиной волны 1,8 пм падает на кристалл бери..
20р.
Решение задачи по физике раздел 38 пункт 76 квантовая
76. Найти пятый потенциал возбуждения водородоподобного иона, имеющего Z=3...
30р.
Решение задачи по физике раздел 38 пункт 80 квантовая
80. Частица массой 0,67∙10–26 кг находится в одномерной потенциальной яме шириной 7 нм с бесконечно ..
10р.
Решение задачи по физике раздел 38 пункт 84 оптика
84. Определить расстояние между штрихами дифракционной решетки, если максимум пятого порядка лучей д..
10р.
Решение задачи по физике раздел 38 пункт 88 оптика
88. Тонкая пленка с показателем преломления 1,5 освещается рассеянным светом с длиной волны 600 нм. ..
20р.
Решение задачи по физике раздел 38 пункт 93 электро
93. В цепи (см рисунок) амперметр показывает силу тока I=1,5 A. Сила тока через резистор сопротивлен..
30р.
Решение задачи по физике раздел 38 пункт 99 электро
99. Сколько ламп накаливания мощностью 200 Вт каждая, рассчитанных на напряжение 127 В, можно устано..
30р.
Решение задачи по физике раздел 39 пункт 1 электро
1. Свинцовый предохранитель, включенный в сеть, плавится, если провод сети нагревается на 25 °С. Про..
30р.
Решение задачи по физике раздел 39 пункт 10 электро
10. Нагреватель электрического чайника имеет две секции. При включении одной из них вода в чайнике з..
30р.
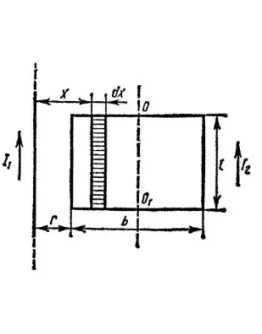
Решение задачи по физике раздел 39 пункт 18 электро
18. Прямой бесконечный ток I1 = 5А и прямоугольная рамка с током I2 = 3А расположены в одной плоскос..
30р.
Решение задачи по физике раздел 39 пункт 2 электро
2. При поочередном подключении к источнику ЭДС двух электрических нагревателей с сопротивлением R1 =..
30р.
Решение задачи по физике раздел 39 пункт 22 электро
22. К источнику тока с ЭДС ε = 0,5 В и ничтожно малым внутренним сопротивлением присоединены два мет..
30р.





