Massimo86
Решение задачи по физике раздел 63 пункт 39 электро
39. Стальной тороид, площадь поперечного сечения которого 3 см2, имеет 12 витков на каждый сантиметр..
20р.
Решение задачи по физике раздел 63 пункт 4 волны
4. Электромагнитный контур содержит конденсатор емкостью C = 1,0 нФ и соленоид индуктивностью L = 5,..
30р.
Решение задачи по физике раздел 63 пункт 40 электро
40. В соленоид длиной l=50 см вставлен сердечник из такого сорта железа, для которого зависимость B=..
30р.
Решение задачи по физике раздел 63 пункт 42 электро
42. Соленоид содержит N = 800 витков. При силе тока I = 1 А магнитный поток Ф = 0,1 мВб. Определить ..
20р.
Решение задачи по физике раздел 63 пункт 45 электро
45. В соленоиде сечением S=5см2 создан магнитный поток Ф=20 мкВб. Определить объемную плотность ω эн..
20р.
Решение задачи по физике раздел 63 пункт 46 электро
46. Магнитный поток Ф в соленоиде, содержащем N = 1000 витков равен 0,2 мВб. Определить, энергию W м..
20р.
Решение задачи по физике раздел 63 пункт 47 электро
47. Соленоид имеет полностью размагниченный стальной сердечник объемом V = 200 см3. Напряженность Н ..
30р.
Решение задачи по физике раздел 63 пункт 48 электро
48. Соленоид имеет стальной полностью размагниченный сердечник объемом V = 500 см3. Напряженность ма..
30р.
Решение задачи по физике раздел 63 пункт 5 волны
5. Колебательный контур содержит конденсатор емкостью C = 2,0 нФ и соленоид индуктивностью L = 20 мк..
30р.
Решение задачи по физике раздел 63 пункт 6 волны
6. Груз массой m = 200 г падает с высоты h = 15 см на чашку весов, подвешенную на пружине жесткостью..
30р.
Решение задачи по физике раздел 64 пункт 1 электро
1. Индуктивность L соленоида длиной l = 60 см и площадью поперечного сечения S = 4 см2 равна 4•10-7 ..
30р.
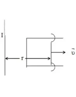
Решение задачи по физике раздел 64 пункт 10 электро
10. Длинный прямой проводник с током I и П-образный проводник с подвижной перемычкой расположены в о..
30р.
Решение задачи по физике раздел 64 пункт 11 электро
11. В электрической цепи с сопротивлением r = 10 Ом и индуктивностью L = 0,05 Гн течет ток силой 60 ..
10р.
Решение задачи по физике раздел 64 пункт 12 электро
12. Соленоид длиной 2 м, состоящий из 1000 витков, площадью поперечного сечения 8 см2 включается в ц..
30р.
Решение задачи по физике раздел 64 пункт 13 электро
13. Из куска провода длиной 2 м и сопротивлением 2 Ом сделан квадрат так, что площадь его перпендику..
30р.





