Massimo86
Решение задачи по физике раздел 68 пункт 96 электро
96. Емкость сферического конденсатора, состоящего из двух концентрических сфер радиусами R1 = 50,0 м..
30р.
Решение задачи по физике раздел 68 пункт 97 электро
97. Определить ёмкость батареи конденсаторов, если С1 = 2 мкФ, С2 = 6 мкФ, С3 = 8 мкФ, С4 = 5 мкФ...
30р.
Решение задачи по физике раздел 68 пункт 98 электро
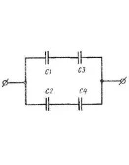
98. Четыре конденсатора электроемкостью 3 мкФ, 5 мкФ, 6 мкФ и 5 мкФ соединены по схеме, изображенной..
30р.
Решение задачи по физике раздел 68 пункт 99 электро
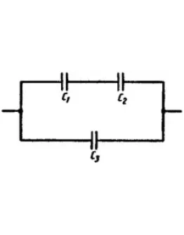
99. Определить электроемкость батареи конденсаторов, изображенной на рис., если C1 = 0,1 мкФ, С2 = 0..
20р.
Решение задачи по физике раздел 69 пункт 1 электро
1. Какова эквивалентная емкость батареи конденсаторов, если С1 = 40мкФ, С2 = 20мкФ, С3 = 20мкФ, С4 =..
30р.
Решение задачи по физике раздел 69 пункт 10 электро
10. Конденсаторы электроемкостями C1=0,2 мкФ, С2=0,6 мкФ, С3=0,3 мкФ, С4=0,5 мкФ соединены так, как ..
30р.
Решение задачи по физике раздел 69 пункт 100 электро
100. При разрядке батареи, состоящей из 10 параллельно включенных одинаковых конденсаторов, выделило..
30р.
Решение задачи по физике раздел 69 пункт 11 электро
11. Определить электрическую ёмкость батареи конденсаторов, если конденсаторы имеют одинаковую ёмкос..
30р.
Решение задачи по физике раздел 69 пункт 12 электро
12. Шар, погружённый в масло с диэлектрической проницаемостью среды ε = 4, имеет потенциал 4500 В и ..
30р.
Решение задачи по физике раздел 69 пункт 13 квантовая
13. За какое время распадается 1/5 начального количества ядер радиоактивного изотопа, если период ег..
30р.
Решение задачи по физике раздел 69 пункт 14 квантовая
14. За какое время t распадается ΔN/N0 = 3/4 начального количества ядер радиоактивного изотопа, если..
30р.
Решение задачи по физике раздел 69 пункт 15 электро
15. Сплошной парафиновый шар радиусом R=10 см заряжен равномерно по объему с объемной плотностью ρ =..
30р.
Решение задачи по физике раздел 69 пункт 16 электро
16. Шар равномерно заряжен по объёму. Объёмная плотность заряда равна ρ. Радиус шара R. Найти энерги..
30р.
Решение задачи по физике раздел 69 пункт 17 электро
17. Диэлектрический шар с ε = 3 и радиусом R = 10 см равномерно заряжен с объемной плотностью ρ = 10..
30р.
Решение задачи по физике раздел 69 пункт 18 электро
18. Определить силу взаимодействия F между обкладками плоского конденсатора, если он находится в спи..
30р.










