Massimo86
Решение задачи по физике раздел 9 пункт 80 электро
80. Электрон влетел в плоский конденсатор, имея скорость υ = 10 Мм/с, направленную параллельно пласт..
30р.
Решение задачи по физике раздел 9 пункт 82 электро
82. Сила тока в резисторе равномерно возрастает от нулевого значения в течение 10 с. За это время вы..
30р.
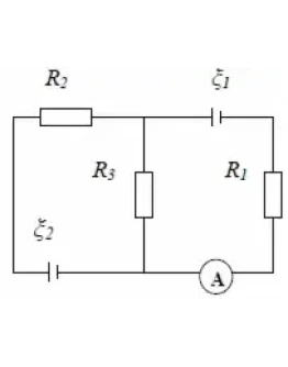
Решение задачи по физике раздел 9 пункт 83 электро
83. В схеме, представленной на рисунке, ξ1=110В, ξ2=220В, R1 = R2 = R = 100 Ом, R3 = 500 Ом. Найти п..
30р.
Решение задачи по физике раздел 9 пункт 89 электро
89. Около заряженной бесконечно протяженной плоскости находится точечный заряд 2•10-8 Кл. Под действ..
30р.
Решение задачи по физике раздел 9 пункт 9 механика
9. Из пружинного пистолета с пружиной жесткостью k= 150 Н/м был произведен выстрел пулей массой т = ..
30р.
Решение задачи по физике раздел 9 пункт 90 электро
90. Найти напряжение на каждом из двух конденсаторов, если они соединены последовательно, имеют элек..
30р.
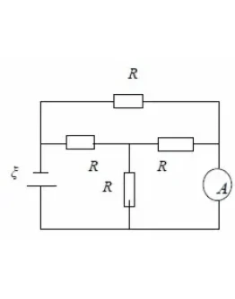
Решение задачи по физике раздел 9 пункт 91 электро
91. Найти показание амперметра в схеме представленной на рисунке. Сопротивления амперметра и источни..
30р.
Решение задачи по физике раздел 9 пункт 92 электро
92. В схеме, изображенной на рисунке, ξ1 = 10 В, ξ2 =20 В, ξ3 = 30 В, R1 =1 Ом, R2 = 2 Ом, R3 = 2 Ом..
30р.
Решение задачи по физике раздел 9 пункт 93 электро
93. По бесконечно длинному прямому проводу, изогнутому так, как показано на рисунке, течет ток I = 1..
30р.
Решение задачи по физике раздел 9 пункт 94 электро
94. Проводник в виде тонкого полукольца радиусом R=10 см находится в однородном магнитном поле с инд..
30р.
Решение задачи по физике раздел 9 пункт 96 волны
96. Материальная точка одновременно участвует в двух колебаниях, происходящих вдоль одной прямой и в..
30р.
Решение задачи по химии раздел 10 пункт 26
26. Смесь алюминия с магнием разделили на две части. Одну часть обработали избытком соляной кислоты,..
30р.
Решение задачи по химии раздел 10 пункт 29
29. Сплав свинца, алюминия и меди массой 5,44 г растворили в 40%-ном растворе азотной кислоты. В пол..
30р.
Решение задачи по химии раздел 10 пункт 31
31. Образец смеси бертолетовой соли и дихромата калия массой 19,50 г прокалили и получили 0,672 л (н..
30р.
Решение задачи по химии раздел 10 пункт 32
32. Навеску соли натрия желтого цвета массой 14,58 г растворили в воде, затем подкислили серной кисл..
30р.








