Д4-12 (Задание 1)
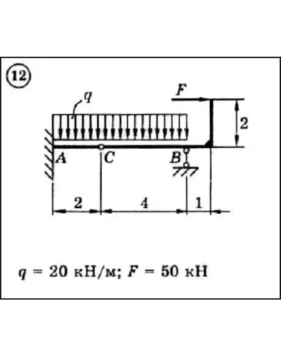
Для представленной на схеме составной конструкции найти реакции опор используя принцип возможных скоростей или принцип возможных перемещений Лагранжа. Размеры указаны в метрах. Весом элементов конструкции пренебречь.
Для представленной на схеме составной конструкции найти реакции опор используя принцип возможных скоростей или принцип возможных перемещений Лагранжа. Размеры указаны в метрах. Весом элементов конструкции пренебречь.
Диевский В.А. - Решение задачи Д4 вариант 12 задание 1
- Продавец: Михаил_Перович
- Модель: 2360306
- Наличие: Есть в наличии
-
60р.




