Д5-15 Диевский
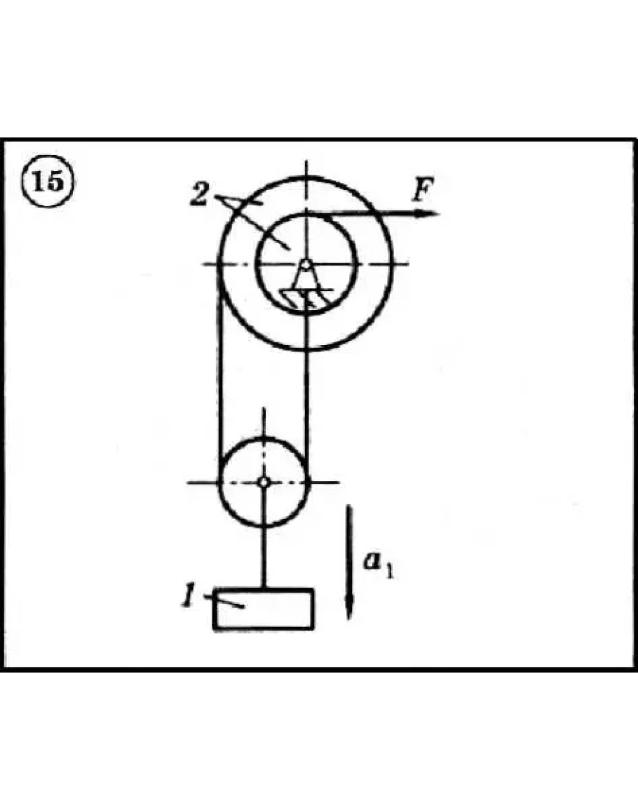
Для приведенной на схеме механической системы, используя принцип Даламбера, определить величину силы F, необходимую для перемещения груза с заданным ускорением a1, а также усилие в грузовом тросе. Исходные данные: массы груза m1 и барабана m2, радиус барабана R2 (у двойного барабана имеется также r2), его радиус инерции ρ2 (если он не задан, тело считать однородным цилиндром), угол α и коэффициент трения скольжения f приведены в таблице. Непронумерованные блоки и катки считать невесомыми. Трением на осях барабана и блоков пренебречь.
Для приведенной на схеме механической системы, используя принцип Даламбера, определить величину силы F, необходимую для перемещения груза с заданным ускорением a1, а также усилие в грузовом тросе. Исходные данные: массы груза m1 и барабана m2, радиус барабана R2 (у двойного барабана имеется также r2), его радиус инерции ρ2 (если он не задан, тело считать однородным цилиндром), угол α и коэффициент трения скольжения f приведены в таблице. Непронумерованные блоки и катки считать невесомыми. Трением на осях барабана и блоков пренебречь.
Диевский В.А. - Решение задачи Д5 вариант 15 (Д5-15)
- Продавец: Михаил_Перович
- Модель: 1989199
- Наличие: Есть в наличии
-
60р.




