Решение задания расчетно-графической работы (РГР) 1 вариант 10 из сборника по теХнической механике Сеткова В.И.:
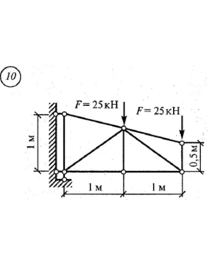
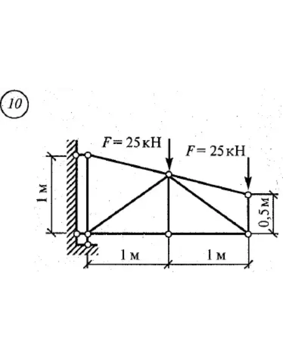
Определить усилия в стержнях консольной фермы аналитическим и графическим способами по данным одного из вариантов, приведенных на рис.33. В заданиях с нечетными вариантами рассмотреть три узла, а с четными - четыре, начиная от свободного конца.
Определить усилия в стержнях консольной фермы аналитическим и графическим способами по данным одного из вариантов, приведенных на рис.33. В заданиях с нечетными вариантами рассмотреть три узла, а с четными - четыре, начиная от свободного конца.
Расчетно-графическая работа 1. Вариант 10 Сетков В.И.
- Продавец: Михаил_Перович
- Модель: 2991617
- Наличие: Есть в наличии
-
100р.




